TC4056A富满SOP8/DIP8封装 4.2V 锂电池恒流恒压充电器芯片IC
SOP8/DIP8封装 4.2V
SOP8/DIP8封装 4.2V
TC4056A是一款完整的单节锂离子电池采用恒定电流/ 恒定电压线性充电器。其底部带有散热片的ESOP8/DIP8 封装与较少的外部元件数目使得TC4056A成为便携式应用的理想选择。TC4056A可以适合USB电源和适配器电源工作。
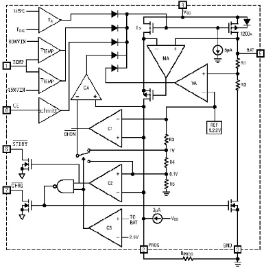
由于采用了内部PMOSFET架构,加上防倒充电路,所以不需要外部隔离二极管。热反馈可对充电电流进行自动调节,以便在大功率操作或高环境温度条件下对芯片温度加以限制。充电电压固定于 4.2V,而充电电流可通过一个电阻器进行外部设置。当充电电流在达到最终浮充电压之后降至设定值 1/10 时,TC4056A 将自动终止充循环。内部框架图如下所示

当输入电压(交流适配器或 USB 电源)被拿掉时,TC4056A 自动进入一个低电流状态,将电池漏电流降至2uA 以下。TC4056A 在有电源时也可置于停机模式,以而将供电电流降至 55uA。TC4056A 的其他特点包括电池温度检测、欠压闭锁、自动再充电和两个用于指示充电、结束的 LED 状态引脚。
高达 1000mA 的可编程充电电流
无需 MOSFET、检测电阻器或隔离二极管
用于单节锂离子电池、采用 SOP 封装的完整线性充电器
恒定电流/恒定电压操作,并具有可在无过热危险的情况下实现充电速率最大化的热调节功能
精度达到±1.5%的 4.2V 预设充电电压
用于电池电量检测的充电电流监控器输出
自动再充电
充电状态双输出、无电池和故障状态显示
C/10 充电终止
待机模式下的供电电流为 55uA
2.9V 涓流充电器件版本
软启动限制了浪涌电流
电池温度监测功能
采用 8 引脚封装(ESOP-8,DIP-8)

移动电话、PDA
MP3、MP4 播放器
数码相机
电子词典
GPS
便携式设备、各种充电器