在现代电子设备中,LED显示屏因其高效、节能、色彩鲜艳等特点而被广泛应用。而AIP1620作为一款专为LED驱动控制设计的芯片,凭借其卓越的性能和灵活的控制方式,成为了众多电子产品中不可或缺的关键部件。本文将详细介绍AIP1620芯片的技术规格和典型应用图,帮助读者更好地了解其功能和应用场景。
AIP1620该芯片采用功率CMOS工艺制造,具有高集成度、低功耗和高可靠性的特点。它主要应用于VCR、VCD、DVD及家庭影院等产品的显示屏驱动,能够实现多种显示模式和灵活的辉度调节功能。
AIP1620芯片内部集成了MCU数字接口、数据锁存器等电路,支持串行接口通信(CLK、STB、DIO),并通过内置的RC振荡器(450KHz±5%)实现稳定的时钟信号。此外,它还具备内置上电复位电路,确保在电源启动时能够自动初始化,避免因电源波动导致的显示异常。

(一)显示模式
AIP1620支持多种显示模式,包括8段×6位到10段×4位的配置,能够满足不同尺寸和分辨率的LED显示屏需求。用户可以根据实际应用选择合适的显示模式,通过指令设置段和位的个数,实现灵活的显示效果。
(二)引脚功能
AIP1620芯片采用SOP20封装,具有20个引脚,每个引脚都有明确的功能定义。例如,VDD引脚为逻辑电源输入,SEG1至SEG8为段输出引脚,GRID1至GRID6为位输出引脚,DIO引脚用于串行数据输入/输出,CLK引脚为时钟输入,STB引脚用于片选和初始化。这些引脚的合理布局和功能设计,使得AIP1620能够与外部电路无缝连接,实现高效的信号传输和控制。

(三)电气特性
AIP1620的电气特性如下:
逻辑电源电压范围为3V至5.5V,能够适应不同的电源环境。
高电平输入电压范围为0.7VDD至VDD,低电平输入电压范围为0至0.3VDD,确保了信号的稳定传输和识别。
LED段驱动输出电流最大为-50mA,位驱动输出电流最大为+200mA,能够满足普通LED显示屏的驱动需求。
功率损耗最大为400mW,工作温度范围为-40℃至+80℃,储存温度范围为-65℃至+150℃,焊接温度为250℃(10秒),这些参数保证了芯片在各种环境下的可靠性和稳定性。
(四)时序特性
AIP1620的时序特性如下:
时钟脉冲宽度(PWCLK)最小为400ns,选通脉冲宽度(PWSTB)最小为1μs,数据建立时间(tSETUP)和保持时间(tHOLD)均为100ns,这些时序参数确保了串行数据传输的准确性和稳定性。
最大时钟频率(Fmax)为1MHz(占空比50%),能够满足高速数据传输的需求。
传输延迟时间(tPLZ、tPZL)和上升/下降时间(TTZH1、TTZH2、TTHZ)等参数,保证了信号在传输过程中的完整性和一致性。
(五)指令系统
AIP1620通过串行接口接收指令,实现对显示模式、数据写入、地址设置和显示控制等功能的灵活配置。指令分为显示模式设置、数据命令设置、显示控制命令设置和地址命令设置四大类。例如,通过显示模式设置指令,用户可以选择4位、5位或6位的显示模式;通过数据命令设置指令,可以选择写数据到显示寄存器的模式、地址增加模式和测试模式;通过地址设置指令,可以指定显示寄存器的地址;通过显示控制指令,可以控制显示的开关状态和消光数量。
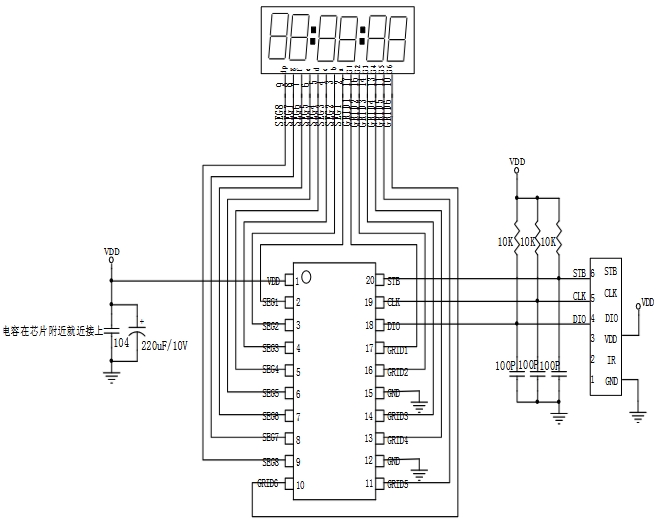
AIP1620的典型应用电路如下图所示:

在该应用电路中,AIP1620通过其引脚与外部电路连接,实现对LED显示屏的驱动控制。具体连接方式如下:
VDD引脚连接电源正极,为芯片提供逻辑电源。
GND引脚连接电源地,确保电路的稳定接地。
SEG1至SEG8引脚连接到LED显示屏的段驱动端,用于控制显示屏的段显示。
GRID1至GRID6引脚连接到LED显示屏的位驱动端,用于控制显示屏的位显示。
DIO引脚连接到微控制器或外部数据源,用于接收串行数据。
CLK引脚连接到微控制器或外部时钟源,用于提供时钟信号。
STB引脚连接到微控制器或外部控制信号源,用于初始化串行接口和控制指令的接收。
在实际应用中,用户可以根据需要选择合适的显示模式和数据传输方式,通过微控制器向AIP1620发送指令和数据,实现对LED显示屏的灵活控制。例如,可以通过设置显示模式指令选择4位、5位或6位的显示模式;通过设置数据命令指令选择写数据到显示寄存器的模式、地址增加模式和测试模式;通过设置地址指令指定显示寄存器的地址;通过设置显示控制指令控制显示的开关状态和消光数量。
AIP1620是一款高性能的LED驱动控制芯片,凭借其灵活的显示模式、丰富的指令系统和稳定的电气特性,在VCR、VCD、DVD及家庭影院等产品的显示屏驱动领域得到了广泛应用。通过本文的详细介绍,读者可以更好地了解AIP1620的技术规格和典型应用,为实际应用中的电路设计和系统开发提供参考。