在现代电子设备中,多路输出电源方案因其高效性和灵活性而备受青睐。本文将详细介绍一款基于 BPA8618D 芯片的多路输出电源方案,该方案能够同时提供 12V/0.3A、18V/40mA 和 W12V/30mA 的输出,适用于多种应用场景。我们将从电路设计、电路板实物图、温升测试等方面进行深入分析,展示其性能和可靠性。
BPA8618D 是一款高性能的多路输出电源管理芯片,专为满足复杂电子设备的多样化电源需求而设计。该方案能够在一个紧凑的电路设计中实现多个独立的电压输出,同时确保各输出之间的电气隔离和稳定性。其输入电压范围为 176VAC 至 264VAC,频率支持 47Hz 至 63Hz,适用于全球大部分电网环境。输出部分包括 12V/0.3A、18V/40mA 和 W12V/30mA 三个独立通道,能够满足多种设备的供电需求。

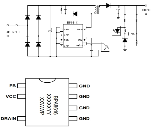
BPA8618D 方案的电路设计是其核心部分,电路图展示了各个元件的连接关系和功能。从电路图中可以看出,该方案采用了高效的开关电源架构,主要包括输入整流滤波电路、主控芯片 BPA8618D、变压器 T1、输出整流滤波电路以及保护电路等关键部分。

输入整流滤波电路:将交流输入转换为直流,并通过滤波电容去除高频噪声,为后续电路提供稳定的直流输入。
主控芯片 BPA8618D:作为整个电源方案的“大脑”,负责控制开关频率、占空比以及实现各种?;すδ?,确保充电过程的安全与高效。
变压器 T1:实现电压转换和电气隔离,其多绕组结构能够同时提供多个独立的输出电压。
输出整流滤波电路:将变压器次级输出的高频脉冲转换为稳定的直流输出,并通过滤波电容去除输出纹波,保证输出电压的纯净度。
电路板实物图是电路设计的直观呈现。从实物图中可以看到,该电源方案的电路板布局紧凑合理,元件排列整齐,布线清晰。主控芯片 BPA8618D 安装在电路板的正面,周围分布着与其相关的电阻、电容等元件,便于信号传输和调试。变压器 T1 位于电路板的中心位置,占据了较大的空间,其多绕组结构通过不同的引脚与电路连接,实现了高效的能量转换。输出端的接口设计在电路板的边缘,便于与外部设备连接。整个电路板采用了双面板设计,通过合理的布线和元件布局,有效减少了电磁干扰,提高了电路的稳定性和可靠性。

温升测试是评估电源方案可靠性的重要方面。在不同输入电压和满载条件下,对关键元件的温度进行了测试。测试结果显示,主控芯片 BPA8618D、贴片二极管 ER2D 以及变压器 T1 的温度均在安全范围内。
环境温度:48.4℃(176VAC)、48.1℃(230VAC)、48.9℃(265VAC)
BPA8618D(IC2):79.1℃(176VAC)、95.1℃(230VAC)、100.7℃(265VAC)
ER2D(D5):72.2℃(176VAC)、75.4℃(230VAC)、78℃(265VAC)
变压器绕组(T1):65.2℃(176VAC)、67.9℃(230VAC)、70℃(265VAC)
变压器磁芯(T1):63.2℃(176VAC)、65.5℃(230VAC)、67.3℃(265VAC)
这些温度均低于元件的最高工作温度,表明电源方案在正常工作条件下具有良好的散热性能,能够保证元件的稳定性和可靠性。

输出纹波是衡量电源输出电压稳定性的重要指标。根据测试数据,在不同输入电压和负载条件下,该电源方案的输出纹波电压均满足设计要求。例如,在输入电压为 176VAC 时,12V 输出的纹波电压为 116mV(空载)和 167mV(满载);在输入电压为 265VAC 时,12V 输出的纹波电压为 113mV(空载)和 184mV(满载)。这些结果表明,电源方案在不同工作条件下都能保持较为稳定的输出电压,为设备提供纯净的电源。
动态负载响应测试用于评估电源在负载快速变化时的输出电压稳定性。测试结果显示,当输入电压分别为 176VAC 和 265VAC 时,12V 输出在负载从 0.03A 变化到 0.27A(变化速率为 0.5A/μS,频率为 100Hz)时,输出电压的最大峰-峰值分别为 396mV 和 374mV。这说明电源方案能够在负载快速变化的情况下,快速响应并稳定输出电压,避免因电压波动对设备造成损害。
如需要BPA8618D完整测试报告,还请咨询三佛官网右侧在线客服联系方式,提供样品,技术支持~
通过对 BPA8618D 多路输出电源方案的详细解析和性能评估,我们可以看到该方案在电路设计、元件选型、性能测试等方面都表现出色。其紧凑合理的电路板布局、精心选型的元件以及高效的变压器设计,共同实现了高效、稳定的电源性能。在输出纹波、动态负载响应、温升等关键测试指标上,该电源方案均达到了设计要求,能够为电子设备提供安全可靠的电源支持。未来,随着电子技术的不断发展,电源方案的设计将更加注重高效、节能、小型化以及智能化,而 BPA8618D 方案的设计理念和实践经验,将为后续的设计提供宝贵的参考和借鉴。