在现代厨房电器中,电磁炉和电饭煲因其便捷性和高效性而广受欢迎。然而,这些设备的稳定运行离不开可靠的电源支持。SM6035系列芯片作为一种高精度、非隔离、高集成度的降压恒压控制芯片,为电磁炉和电饭煲提供了理想的3.3V/5V、300mA电源解决方案。本文将详细介绍SM6035芯片的特点、技术规格以及在电磁炉和电饭煲中的应用。
SM6035是一款专为全电压范围(85Vac~265Vac)设计的降压恒压控制芯片,适用于多种AC/DC辅助供电电源场景。该芯片采用500V单芯片集成工艺,内部集成高压功率管和CS电阻,无需外部补偿元件,即可实现优异的线性调整率和负载调整率。其设计目标是通过高集成度和高精度控制,降低系统成本并节约PCB尺寸,同时提供可靠的电源解决方案。

SM6035支持85Vac~265Vac的宽输入电压范围,能够适应全球不同地区的电网电压,确保设备在不同电源条件下的稳定运行。
SM6035采用500V单芯片集成工艺,内部集成了高压功率管和CS电阻,无需外部补偿元件。这种高集成度设计不仅减少了外围元件的数量,还降低了系统的成本和PCB尺寸,简化了电路设计。
SM6035的待机功耗小于50mW(@220Vac),符合现代电子设备对节能的要求。这一特性使得电磁炉和电饭煲在待机模式下能够显著降低能耗,符合绿色节能标准。
SM6035采用33kHz的固定开关频率,确保了电源转换的稳定性和效率。这种固定频率设计能够有效减少电磁干扰(EMI),同时简化了滤波器设计。
SM6035集成了多种?;すδ埽ü卤;?、过压保护和欠压?;?。这些保护功能能够有效防止电源在异常情况下损坏,确保设备的安全运行。
SM6035采用SOP8封装形式,具有体积小、散热性能好等特点,非常适合紧凑型电源设计。
| 参数 | 符号 | 测试条件 | 最小值 | 典型值 | 最大值 | 单位 |
|---|---|---|---|---|---|---|
| 输入电压范围 | VIN | — | 85 | — | 265 | Vac |
| 输出电压 | VOUT | — | 3.3/5.0 | — | — | V |
| 输出电流 | IOUT | — | 300 | — | — | mA |
| 待机功耗 | Pstandby | @220Vac | — | — | <50 | mW |
| 开关频率 | fSW | — | 33 | — | — | kHz |
| 功能 | 描述 |
|---|---|
| 过温?;?/td> | 当芯片温度超过设定值时,自动关闭输出,防止过热损坏 |
| 过压?;?/td> | 当输出电压超过设定值时,自动关闭输出,?;じ涸厣璞?/td> |
| 欠压?;?/td> | 当输入电压低于设定值时,自动关闭输出,防止因电压不足而导致的损坏 |

电磁炉需要稳定的电源来驱动其加热元件和控制电路。SM6035能够为电磁炉提供3.3V或5V的稳定电源,支持300mA的输出电流,完全满足电磁炉控制电路的需求。其低待机功耗特性使得电磁炉在待机模式下能够显著降低能耗,符合绿色节能标准。
电饭煲的控制电路同样需要稳定的电源支持。SM6035能够为电饭煲提供3.3V或5V的稳定电源,支持300mA的输出电流,确保电饭煲在烹饪过程中的稳定运行。其全面的?;すδ苣芄挥行Х乐沟缭丛谝斐G榭鱿滤鸹担映さ绶轨业氖褂檬倜?。

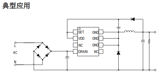
在该电路中,SM6035通过其内部的高压功率管和控制逻辑,将输入的交流电压转换为稳定的直流输出电压。其内置的?;すδ苣芄蝗繁5缭丛诟髦忠斐G榭鱿掳踩诵?,同时其低待机功耗特性能够显著降低设备的能耗。