在现代厨房电器中,电磁炉以其高效、便捷的烹饪方式受到了广泛欢迎。而一个稳定可靠的电源方案是电磁炉正常工作的关键。本文将对基于SM7055-18芯片的电磁炉电源方案电路图进行详细解析,帮助读者深入了解其工作原理和设计要点。

电磁炉电源方案的核心是SM7055-18芯片,它是一款采用电流模式PWM控制方式的功率开关芯片,集成了高压启动电路和高压功率管,能够实现低成本、高性价比的开关电源系统解决方案。该芯片支持BUCK、BUCK-BOOST等多种拓扑结构,适用于电磁炉等小家电产品的电源设计。

上图为典型的 BUCK-BOOST 电路,其中 C1、C2、L1 组成π型滤波,有益于改善 EMI 特性;R1 电阻为浪涌抑制元件;D1 为整流二极管,构成半波整流电路。
输出部分 L2 为储能电感,D2 为 HVDD 供电二极管;D3 为续流二极管,在芯片关断期间提供输出电流通路。
当开关电源启动后,C2 电容上的电压会通过芯片内部的高压启动 MOS 管向芯片 HVDD 电容 C3 充电,当C3 电容电压达到 11.5V,内部高压启动 MOS 管关闭,同时 PWM 开启,系统开始工作。
当 C3 电容电压下降到 9V 以下,关闭 PWM 信号,同时芯片将会产生复位信号,使系统重新启动,这就是欠压?;ぁ?br/>

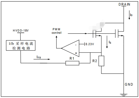
通过高压 MOS 的电流 ID分成两个部分,其中一部分为 IS,这部分电流为芯片采样电流。IS与 ID成比例关系:

从上式可以看出,IFB 电流大,ID 的电流就小;IFB 电流小,ID 的电流就大。当 IFB 的电流大于(0.23V / R2) 时,芯片会关闭 PWM,同时芯片会自动进入突发模式。
在设计基于SM7055-18的电磁炉电源方案时,需要注意以下几个要点:

TO252:
IC 的 2 脚 GND 需要铺铜散热,铺铜面积需要大于 8*8mm,以降低芯片的温度及提高系统的性能。
IC 的 1 脚 DRAIN 脚与 2 脚 GND 及 3 脚 HVDD 之间需要开槽,以满足安规要求。
初级环路与测试环路的走线距离尽量粗而短,以便更容易通过 EMC 测试。
DIP8:
IC 的 DRAIN 脚与 GND 及 HVDD 之间需要开槽,以满足安规要求。
初级环路与测试环路的走线距离尽量粗而短,以便更容易通过 EMC 测试


通过对SM7055-18电磁炉电源方案电路图的详细解析,我们可以看到该方案具有高效、稳定、可靠的特点。它充分利用了SM7055-18芯片的高性能和多种?;すδ埽岷虾侠淼牡缏飞杓坪驮≡?,为电磁炉提供了一个理想的电源解决方案。在实际应用中,只要严格按照设计要点进行设计和调试,就能确保电磁炉电源的稳定运行,为用户提供安全可靠的烹饪体验。