在现代电源设计中,随着电子设备对电源性能要求的不断提高,电源芯片的设计也愈发注重高效率、高集成度和高可靠性。LP3717BTT作为一款由芯茂微推出的5V3A极简化自供电原边反馈控制芯片,凭借其创新的设计理念和卓越的性能表现,为电源设计工程师提供了一个高效、可靠的解决方案。本文将深入解析LP3717BTT的核心特性、工作原理及其在实际应用中的优势。
LP3717BTT是芯茂微推出的一款高性能自供电原边反馈控制芯片,专为满足5V3A电源需求而设计。该芯片采用SOP-8封装形式,具有极简化的电路设计和高度集成的特点,能够显著简化电源设计流程,降低设计成本,同时提高系统的可靠性和稳定性。LP3717BTT以其高效率、低待机功耗和完善的?;すδ?,成为现代电源设计的理想选择。

LP3717BTT的核心特性如下:
极简化设计:采用自供电原边反馈控制技术,无需次级反馈电路,极大地简化了电路设计,减少了外部元件数量。
高效率:在5V3A的输出条件下,能够实现超过85%的转换效率,显著降低能量损耗,提高电源的整体性能。
低待机功耗:在无负载情况下,待机功耗极低,小于50mW,符合现代节能标准。
宽输入电压范围:支持85Vac~265Vac的宽输入电压范围,适应不同地区的电网电压,增强了电源的通用性。
完善的?;すδ埽耗谥霉鞅;ぃ∣CP)、短路?;ぃ⊿CP)、过压?;ぃ∣VP)、欠压?;ぃ║VP)和过温?;ぃ∣TP)等多种保护功能,确保电源在各种异常情况下都能安全运行。
自供电功能:内置自供电电路,无需外部辅助电源,进一步简化了电路设计。
高集成度:采用SOP-8封装,集成了多种功能模块,减少了PCB面积,降低了成本。
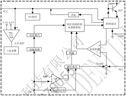
LP3717BTT的工作原理基于自供电原边反馈控制技术。该技术通过检测原边电压和电流的变化,间接获取输出电压和电流的信息,从而实现对输出的精准控制。以下是其工作原理的详细解析:

在电源启动时,LP3717BTT通过内置的高压启动电路从输入电压中获取启动电流,启动内部的控制逻辑。启动完成后,芯片进入正常工作状态,通过原边反馈机制维持稳定的输出。
LP3717BTT采用原边反馈控制技术,通过检测原边电压和电流的变化,间接获取输出电压和电流的信息。具体来说,芯片内部的反馈电路会根据原边电压和电流的变化,调整开关频率和占空比,从而实现对输出电压和电流的精准控制。这种反馈机制不仅简化了电路设计,还提高了系统的动态响应速度。
LP3717BTT内置多种?;すδ?,确保电源在各种异常情况下都能安全运行:
过流?;ぃ∣CP):当输出电流超过设定值时,芯片会立即关闭开关管,?;さ缭疵馐芄魉鸹怠?br/> 短路?;ぃ⊿CP):当输出端发生短路时,芯片会迅速检测到异常并关闭开关管,防止短路电流对电源和负载造成损坏。
过压?;ぃ∣VP):当输出电压超过设定值时,芯片会关闭开关管,?;じ涸孛馐芄叩缪沟乃鸹?。
欠压保护(UVP):当输入电压低于设定值时,芯片会关闭开关管,防止电源在低电压下工作,保护电源和负载的安全。
过温?;ぃ∣TP):当芯片温度超过设定值时,芯片会关闭开关管,防止因高温导致的损坏。
LP3717BTT凭借其卓越的性能和极简化的电路设计,在多种应用场景中得到了广泛应用。以下是一些典型的应用案例:
在USB充电器中,LP3717BTT能够提供稳定的5V3A输出,满足智能手机、平板电脑等设备的充电需求。其高效率和低待机功耗特性,使得充电器在长时间使用过程中能够保持较低的发热量,提高了充电器的可靠性和使用寿命。同时,宽输入电压范围确保了充电器在不同国家和地区都能正常使用,增强了产品的通用性。
在笔记本电脑适配器中,LP3717BTT能够提供稳定的5V3A输出,满足笔记本电脑的充电需求。其自供电功能和原边反馈控制技术,简化了适配器的电路设计,降低了成本,同时提高了适配器的动态响应速度和可靠性。多种?;すδ苋繁A耸逝淦髟诟髦质褂贸【跋露寄馨踩煽康毓ぷ?,有效?;ち吮始潜镜缒悦馐艹涞绻讨械乃鸹怠?br/>
在LED驱动电源中,LP3717BTT能够提供稳定的5V3A输出,满足LED灯珠的驱动需求。其高效率和低待机功耗特性,使得LED驱动电源在长时间使用过程中能够保持较低的发热量,提高了电源的可靠性和使用寿命。原边反馈控制技术能够快速响应负载变化,保持输出电压的稳定,确保LED灯珠在不同负载和输入电压下都能保持稳定的亮度和色温。
典型应用图如下:

通过对LP3717BTT的性能测试,可以全面评估其各项性能指标是否符合设计要求。以下是对其主要性能指标的测试结果分析:
在5V3A的输出条件下,LP3717BTT的转换效率超过85%,显示出极高的能量转换效率。这表明该芯片在能量转换过程中损耗极低,能够将大部分输入能量转化为有效的输出能量,提高了电源的整体性能,降低了能耗。
在无负载情况下,LP3717BTT的待机功耗极低,小于50mW。这符合现代节能标准,有助于降低设备在待机状态下的能耗,延长设备的使用寿命,同时也减少了对环境的影响。
在不同输入电压和负载条件下,LP3717BTT的输出电压保持稳定,波动范围极小。这表明该芯片具有良好的稳压性能,能够为负载设备提供稳定的电压,确保设备的正常运行。
在负载快速变化的情况下,LP3717BTT能够快速响应,保持输出电压的稳定。这表明该芯片具有良好的动态响应性能,能够适应负载设备的快速变化需求,确保设备的稳定运行。
在各种异常情况下,LP3717BTT的?;すδ苣芄谎杆倨舳;さ缭春透涸氐陌踩?。例如,在过流、短路、过压、欠压和过温等情况下,芯片能够立即关闭开关管,防止损坏。
LP3717BTT作为一款5V3A极简化自供电原边反馈控制芯片,凭借其高效率、低待机功耗、极简化的电路设计和完善的?;すδ埽缭瓷杓乒こ淌μ峁┝艘桓龈咝?、可靠的解决方案。其在USB充电器、适配器和LED驱动电源等应用场景中的卓越表现,充分展示了其在现代电源设计中的巨大优势。随着电子设备对电源性能要求的不断提高,LP3717BTT必将成为电源设计领域的首选芯片之一,为各类电子设备提供高效、稳定的电源支持。