在现代家居生活中,卫浴吊顶和烟机作为厨房与卫生间的核心设备,其智能化控制水平直接影响着用户的使用体验与生活品质。昂宝 OB5510 系列芯片,凭借其卓越的性能与高度集成化的设计,为卫浴吊顶和烟机的智能控制提供了强大的“芯”动力,成为众多家电制造商的首选方案。
OB5510 系列芯片包括 OB5510CGP(SOP16 封装)和 OB5510CIP(SOP20 封装),均由国内知名半导体企业昂宝电子精心打造。该系列芯片专为卫浴吊顶和烟机等家电应用量身定制,具备强大的功能与出色的性能表现,能够满足不同场景下的多样化控制需求。

OB5510 系列芯片采用快速的单周期 8051 内核,拥有 8KB 闪存和 512B SRAM,能够执行所有 ASM51 兼容指令,与 MCS-51 指令集完全兼容。这意味着芯片在处理复杂的控制逻辑和算法时,能够快速响应并高效执行,确保设备运行流畅。例如,在烟机的智能调速控制中,OB5510 能够根据烟雾浓度传感器的实时数据,迅速调整电机转速,实现精准的排烟效果,同时保证系统的稳定运行。
该系列芯片集成了多种外设接口和功能???,为家电设备的智能化提供了全面支持。它具备双 16-bit 数据指针、3 个 16-bit 定时器 / 计数器、最多 11 个 GPIO、外部中断源、I2C、UART 等接口,以及可编程的看门狗定时器、3 路 12 位模拟数字转换(ADC)等功能。这些丰富的接口和??槭沟?OB5510 能够轻松连接各种传感器、驱动器和通信设备,构建复杂的智能控制系统。
以卫浴吊顶为例,OB5510 可以通过 GPIO 接口连接温湿度传感器、人体红外传感器等,实时监测卫浴空间的环境参数和使用状态。当检测到有人进入时,自动开启照明和换气功能;根据温湿度数据自动调节吊顶内的加热或制冷设备,为用户提供舒适的洗浴环境。同时,利用 I2C 和 UART 接口,OB5510 还可以与显示屏、无线通信??榈冉惺萁换?,实现远程控制和状态显示等功能,提升用户的使用便捷性。
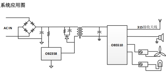
OB5510 系列芯片的高压模拟单元是其一大亮点,输入电压范围为 7.5V~12V,集成 5VLDO,输出电压 5V ±2%@25°C,最大输出电流可达 200mA。此外,芯片还集成了 5 个开漏端口,具有 80mA 灌电流能力,并内建续流二极管。这些特性使得 OB5510 能够直接驱动继电器或可控硅等高压大电流器件,简化了系统设计,降低了成本,同时提高了系统的可靠性和稳定性。
在电源管理方面,OB5510 提供了空闲及掉电模式,支持低电压中断(LVI)和低电压复位(LVR)功能。这些电源管理模式和?;すδ苣芄挥行Ы档凸模映ど璞傅氖褂檬倜?,并确保在电压异常情况下芯片和设备的安全运行。例如,在烟机的待机状态下,OB5510 可以进入低功耗模式,仅消耗极少量的电能,同时保持对按键等唤醒信号的监测,一旦用户按下启动按钮,芯片能够迅速从低功耗模式唤醒并恢复工作,实现快速响应。

在卫浴吊顶系统中,OB5510 可以通过连接多种传感器,实现对卫浴空间环境的全方位监测和智能控制。温湿度传感器可以实时测量卫浴内的温度和湿度,OB5510 根据这些数据自动调节吊顶内的加热或制冷设备,以及换气扇的转速,确保卫浴空间始终保持适宜的温湿度条件,避免因潮湿导致的霉菌滋生和设备损坏。
人体红外传感器则用于检测人体活动,当用户进入卫浴空间时,OB5510 接收到信号后自动开启照明和换气功能,为用户提供便捷的使用体验。同时,通过设定不同的工作模式,如“洗漱模式”“沐浴模式”等,OB5510 可以根据用户的使用场景自动调整各设备的运行状态,实现个性化的智能控制。
OB5510 支持多种照明控制方式,能够根据环境光线强度和用户需求自动调节照明亮度。例如,通过连接光敏传感器,OB5510 可以检测卫浴内的光线强度,当光线较暗时自动提高照明亮度,确保用户在使用过程中有足够的光线。此外,利用 PWM(脉宽调制)功能,OB5510 还可以实现对 LED 灯光的调光控制,营造不同的氛围效果,满足用户在不同场景下的需求,如温馨的洗漱氛围、舒适的沐浴氛围等,提升卫浴空间的使用舒适度和美观度。
在安全方面,OB5510 的低电压中断和复位功能能够有效?;の涝〉醵ド璞冈诘缪挂斐G榭鱿旅馐芩鸹?。当供电电压低于设定阈值时,芯片会自动触发低电压中断,切断设备的电源,防止因电压过低导致的设备故障或损坏。同时,OB5510 的电源管理单元支持空闲和掉电模式,在设备待机或不使用时能够自动进入低功耗模式,降低能耗,实现节能效果。通过合理的电源管理和智能控制策略,OB5510 能够在确保设备正常运行的前提下,最大程度地降低能耗,延长设备的使用寿命,符合现代家居对节能环保的要求。
烟机的核心功能是快速有效地排出厨房内的油烟,OB5510 能够为烟机提供精准的智能排烟控制。通过连接烟雾浓度传感器,OB5510 可以实时监测厨房内的油烟浓度,并根据浓度数据自动调整电机的转速。在烹饪过程中,当油烟浓度较高时,芯片会控制电机高速运转,加大排风量,迅速排出油烟;而在油烟浓度较低时,电机则自动降低转速,减少能耗,同时避免过度排风导致的噪音过大。这种智能调速控制不仅提高了烟机的排烟效率,还能根据实际需求合理分配能源,实现节能降噪的效果。
现代烟机通常配备有照明灯和操作界面,OB5510 可以轻松实现对这些功能的控制。利用 GPIO 接口连接照明灯,芯片可以根据用户的操作指令或环境光线强度自动控制照明灯的开关和亮度调节。同时,通过 UART 或 I2C 接口连接显示屏和按键等操作界面组件,OB5510 能够实现对烟机运行状态的实时显示和用户操作指令的接收与处理。用户可以通过操作界面方便地设置烟机的工作模式、风速、照明亮度等参数,OB5510 根据这些指令快速响应并调整设备的运行状态,为用户提供便捷的操作体验。
在烟机的运行过程中,OB5510 还能够进行故障检测与?;?。例如,通过监测电机的电流、电压等参数,芯片可以判断电机是否出现过载、堵转等故障情况。一旦检测到故障,OB5510 会立即触发相应的保护措施,如切断电机电源、发出故障报警信号等,防止故障进一步扩大,?;ぱ袒璞傅陌踩?。同时,利用其丰富的中断功能,OB5510 还可以实现对烟机其他关键部件的实时监测和故障检测,确保烟机系统的稳定可靠运行。

OB5510 系列芯片将多种功能??榧捎谝簧?,包括高压模拟单元、数字控制单元、存储器、外设接口等,大大减少了外部元件的使用数量,降低了系统的复杂度和成本。与传统的分立元件方案相比,OB5510 不仅提高了系统的可靠性,还减少了 PCB(印刷电路板)面积,使得家电设备的设计更加紧凑、轻薄,符合现代家居对产品外观和空间占用的要求。这种高度集成化的设计为家电制造商带来了显著的成本优势,有助于提高产品的市场竞争力。
OB5510 采用先进的高压工艺和数?;旌霞际?,具备高性能的单周期 8051 内核和丰富的外设接口,能够满足复杂家电控制系统的性能需求。同时,芯片经过严格的质量测试和可靠性验证,能够在各种恶劣的工作环境下稳定运行,如高温、高湿度、电压波动等。其高压模拟单元和电源管理功能进一步增强了芯片的适应性和稳定性,确保家电设备在长期使用过程中始终保持良好的性能表现,减少了维修和更换的频率,降低了用户的使用成本。
昂宝电子为 OB5510 系列芯片提供了完善的开发工具和文档支持,包括编程器、编译器、调试工具、数据手册等,方便开发人员进行硬件设计、软件编程和系统调试。此外,OB5510 的指令集与 MCS-51 兼容,使得开发人员可以利用现有的 MCS-51 开发经验和资源进行快速开发,大大缩短了产品的开发周期。同时,芯片的多种外设接口和功能??槲返墓δ芡卣固峁┝斯憷目占?,家电制造商可以根据市场需求和用户反馈,灵活地添加或升级产品的功能,如智能语音控制、物联网连接等,进一步提升产品的附加值和市场竞争力。
昂宝 OB5510 系列芯片凭借其高性能、高集成度、高可靠性和灵活的开发优势,为卫浴吊顶和烟机等家电产品的智能化控制提供了理想的解决方案。在现代家居智能化发展的浪潮中,OB5510 正以其卓越的性能和出色的表现,助力家电制造商打造出更加智能、便捷、节能、安全的家居产品,满足消费者对高品质生活的追求。随着技术的不断进步和市场需求的持续增长,OB5510 系列芯片必将在家电领域发挥更加重要的作用,成为推动家居智能化发展的重要力量。