在当今电子设备日益复杂且对电源性能要求极高的背景下,一款高效、紧凑且可靠的开关稳压器芯片对于众多应用场景来说至关重要?;鄞葱疽瞥龅?SI1322 正是这样一款能够满足市场需求的离线式高 PF 交流输入开关稳压器,它凭借诸多优势特性,在智能照明、智能家居以及小家电等领域展现出强大的应用潜力,为电源设计带来了全新的解决方案。
SI1322 是一款紧凑型、离线式开关稳压器,采用了慧创芯耀专利的 AC - DC 架构。这种独特的架构使得 SI1322 能够在提供稳定的 5V 输出电压的同时,具备半波整流 30mA、全波整流 50mA 的带载能力,足以应对多种小型电子设备的辅助电源需求。它以低功耗、高功率因数(PF>0.7)为特点,无需复杂的 π 型滤波器即可通过电磁干扰(EMI)测试,大大简化了电源设计的复杂度和成本,同时无需输入高压电容,进一步优化了电路结构,使其在智能照明、智能家居和小家电等典型应用领域中能够灵活地满足各种辅助电源的要求。

SI1322 能够提供 ±2%的 5V 输出电压精度,这意味着在正常工作条件下,其输出电压能够稳定地保持在 4.9V 至 5.1V 的范围内。这种高精度的输出电压对于许多对电源稳定性要求较高的电子设备来说至关重要,例如在智能照明系统中,稳定的电源能够确保 LED 灯具的亮度和色温保持一致,避免因电压波动而产生的闪烁或颜色偏差等问题,从而为用户提供更加舒适和可靠的照明体验。
该芯片的静态功耗小于 50mW,这一低功耗特性使得 SI1322 在待机或轻载状态下能够显著降低能耗,这对于需要长时间运行的设备来说具有重要的节能意义。以智能家居设备为例,许多设备在大部分时间里可能处于待机状态,而 SI1322 的低静态功耗能够有效减少这些设备在待机时的电能消耗,从而降低用户的用电成本,同时也符合现代社会对节能环保的要求。
SI1322 的输入电压范围非常宽,能够适应 80~305VAC 的交流输入电压。这一宽广的输入电压范围使得该芯片能够在全球范围内的不同电网环境下稳定工作,无需担心因电网电压波动或不同地区电网标准差异而影响其性能。例如,在一些电网电压不稳定或存在较大波动的地区,SI1322 依然能够保持稳定的输出,确保电子设备的正常运行,极大地提高了电源设计的通用性和可靠性。
SI1322 拥有两项专利技术,即专利的电流控制方式和专利的 AC - DC 架构。其专利的电流控制方式能够显著提升芯片的效率和带载能力。通过这种控制方式,芯片可以根据不同的输入电压和负载条件自动调整电流,从而在各种工作状态下都能保持较高的效率,同时提高其在高负载条件下的稳定性和可靠性。而专利的 AC - DC 架构则为芯片提供了更加紧凑和经济的解决方案,使得 SI1322 在体积和成本上具有明显的优势,这对于小型化、低成本的电子产品设计来说具有极大的吸引力。
SI1322 采用了 ESOP - 8 封装类型,这种封装形式具有良好的散热性能和较小的体积,便于在紧凑的电路板空间内进行安装和布局。ESOP - 8 封装的引脚间距和尺寸设计合理,能够满足大多数贴片生产设备的要求,方便进行大规模生产和自动化装配,从而提高了生产效率,降低了生产成本。
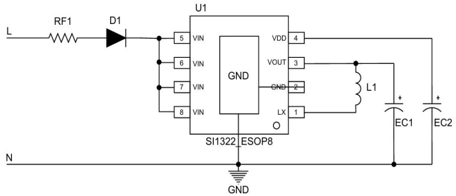
SI1322 的典型应用电路简洁明了,易于理解和实现。

典型应用:智能照明、智能家居、小家电等

SI1322 的内部功能框图展示了其复杂的电路结构和先进的控制逻辑。它集成了 VDD 过零检测、UVLO(欠压锁定)、限流检测、充放电逻辑、电流整形以及 DC - DC 转换等功能???,这些??樾ぷ?,确保了芯片在各种工作条件下的稳定性和可靠性。例如,过零检测功能能够实时监测电感电流是否降为零,从而优化开关时序,减少开关损耗和反向电流;而 UVLO 功能则可以防止芯片在输入电压过低时启动,避免因输入电压不足而导致的芯片损坏或工作异常。

在功能描述方面,SI1322 的充电控制逻辑采用了专利的电流控制方式,能够根据 VIN 电压自适应调整充电电流,从而降低芯片损耗,提高带载能力。
VDD 过压保护功能确保了芯片在输入电压过高时能够及时关闭充电电流,?;つ诓康缏贰?br/>
开关电流限制功能则通过实时监测电感上的电流,防止过流损坏芯片。
过零检测功能优化了开关时序,提高了效率和可靠性。
内置温度?;すδ苣芄辉谛酒露裙呤惫乇粘涞绲缌骱?DC - DC 输出,防止芯片因过热而损坏,当温度降低后自动恢复工作,进一步提高了芯片的安全性和可靠性。
慧创芯耀 SI1322 离线式高 PF 交流输入开关稳压器以其精准稳定的输出电压、高效节能的性能表现、广泛的输入电压范围、创新的专利技术、便捷的封装形式以及卓越的内部功能和极限参数,在智能照明、智能家居和小家电等领域的辅助电源设计中展现出了巨大的优势。