在现代电子设备中,LED显示屏的应用越来越广泛,从简单的家用电器到复杂的工业控制设备,都需要可靠的LED驱动控制芯片来实现显示和交互功能。AIP1638作为一款高性能的LED驱动控制专用电路,凭借其强大的功能和兼容性,逐渐成为市场上的热门选择。本文将详细介绍AIP1638的功能框图及引脚说明,并探讨其如何完美替代TM1638。
AIP1638概述及典型应用线路
AIP1638是由中微爱芯开发的一款带键盘扫描接口的LED驱动专用电路。它集成了键盘扫描接口、MCU数字接口、数据锁存器等电路,主要应用于冰箱、空调、家庭影院等产品的显示屏驱动控制。AIP1638采用功率CMOS工艺,支持10段×8位的显示模式,具备8×3bit的键扫描功能,以及8级可调的辉度调节电路。此外,它还内置了RC振荡器(400KHz±5%)和上电复位电路,采用SOP28封装形式。
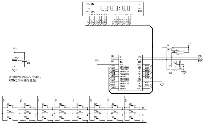
AIP1638典型应用线路


AIP1638简介
AIP1638主要由以下几个部分组成:
键盘扫描接口:通过K1-K3引脚实现键盘扫描数据输入,能够检测按键状态并将其锁存。
MCU数字接口:包括CLK(时钟输入)、DIO(数据输入/输出)、STB(片选)等引脚,用于与微控制器进行通信。
数据锁存器:用于存储通过串行接口从外部器件传送到AIP1638的数据,确保数据的稳定性和准确性。
显示驱动电路:包括SEG1-SEG10和GR1-GR8引脚,用于驱动LED显示屏。SEG引脚为段输出,GR引脚为位输出。
辉度调节电路:通过占空比8级可调的方式,实现对LED显示屏亮度的调节。
内置RC振荡器和上电复位电路:提供稳定的时钟信号和上电复位功能,确保芯片在上电后能够正常工作。
AIP1638引脚说明
AIP1638的引脚排列图如下图所示

以下是AIP1638各引脚的功能说明:
| 引脚 | 符号 | 引脚名称 | 功能 |
|---|
| 1-3 | K1-K3 | 键扫数据输入 | 输入该脚的数据在显示周期结束后被锁存 |
| 4、15 | VDD | 逻辑电源 | 5V±10% |
| 5-12 | SEG1/KS1-SEG8/KS8 | 输出(段) | 段输出(也用作键扫描),P管开漏输出 |
| 13、14 | SEG9、SEG10 | 输出(段) | 段输出,P管开漏输出 |
| 16、17 | GR7、GR8 | 输出(位) | 位输出,N管开漏输出 |
| 18、25 | GND | 逻辑地 | 接系统地 |
| 19-24 | GR1-GR6 | 输出(位) | 位输出,N管开漏输出 |
| 26 | DIO | 数据输入/输出 | 在时钟上升沿输入/输出串行数据,从低位开始 |
| 27 | CLK | 时钟输入 | 上升沿输入/输出串行数据 |
| 28 | STB | 片选 | 在上升或下降沿初始化串行接口,随后等待接收指令。STB为低后的第一个字节作为指令,当处理指令时,当前其他处理被终止。当STB为高时,CLK被忽略 |
特殊引脚说明

AIP1638如何完美替代TM1638
AIP1638在功能和引脚定义上与TM1638高度兼容,因此可以完美替代TM1638。以下是AIP1638替代TM1638的优势:
功能兼容性:AIP1638支持与TM1638相同的显示模式(10段×8位)和键扫描功能(8×3bit),并且在辉度调节、串行接口等方面具有相同的功能。
引脚兼容性:AIP1638的引脚定义与TM1638基本一致,包括VDD、GND、CLK、DIO、STB等关键引脚的功能和电气特性都高度相似,因此在硬件设计上可以直接替换。
性能提升:AIP1638在某些性能指标上进行了优化,例如内置RC振荡器的频率精度更高(400KHz±5%),能够提供更稳定的时钟信号。此外,AIP1638的功耗更低,最大功率损耗为400mW,相比TM1638具有更好的能效比。
成本优势:由于AIP1638在设计上进行了优化,其生产成本相对较低,能够为用户提供更具性价比的选择。
总结
AIP1638是一款高性能的LED驱动控制专用电路,凭借其强大的功能、兼容性和成本优势,逐渐成为市场上的热门选择。通过详细的引脚说明和功能框图,我们可以清晰地了解AIP1638的工作原理和应用方式。AIP1638不仅能够完美替代TM1638,还在某些性能指标上进行了优化,为用户提供了一个更可靠、更高效的解决方案。