随着技术的发展,市场对电源??榈囊笤嚼丛礁?,不仅需要高精度、高效率,还需要具备良好的电磁兼容性(EMI)和低成本?;悦⑽⑼瞥龅腇T8440BD2,12V500mA过EMI高精度低成本恒压输出电源方案,正是在这样的背景下应运而生,为小家电辅助电源等应用场景提供了理想的解决方案。

FT8440BD2方案采用了高性能、高精度、低成本的非隔离PWM功率开关FT8440X。该芯片集成了电流模PWM控制器和高压功率开关管,能够实现优越的动态响应和稳定的闭环反馈,确保在全电压输入范围内都能获得稳定的高精度输出电压。该方案具有以下显著特点:
方案支持全电压输入范围,即90Vac~264Vac,50/60Hz,能够适应不同国家和地区的电网电压,大大增强了产品的通用性。
在115Vac和230Vac满载条件下,效率高达77.90%,待机功耗仅为55mW@230V,这使得电源在各种工作状态下都能保持高效的能源转换,同时降低待机能耗,符合节能环保的要求。
输出纹波电压极低,Vripple_p-p ≤ 100mV@90V-264V,确保输出电压的稳定性,为负载设备提供干净的电源,减少因电源波动引起的设备故障。
采用BUCK结构,外围元件数量少,成本低。内部集成高压启动功能,起机时间短(典型50ms),动态响应优越,能够快速适应负载变化,保持输出电压的稳定。
采用DIP7封装,内置630V高压MOS,可靠性高。同时,方案具备欠压锁定、过压、过温、过流、输出短路?;さ榷嘀直;すδ?,全方位保障电源和负载的安全。

以下是FT8440BD2方案的详细电源规格:
输入电压:90Vac~264Vac,双导线,无P.E.
输入频率:47Hz~64Hz
输出电压:12V
输出电流:0.5A
连续输出功率:6.0W
在115Vac和230Vac满载条件下,效率为77.9%,这一效率水平在同类产品中表现优异,能够有效减少能源损耗。
传导EMI:满足EN55022B标准
辐射EMI:满足EN5013标准
采用单面板设计,尺寸为70mm×36mm,这种紧凑的设计有助于节省空间,便于集成到各种小家电设备中。
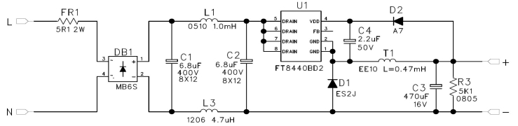
FT8440BD2方案提供了两种电路原理图,一种是过EMI样机的电路原理图,另一种是无EMI要求的样机电路原理图。以下是过EMI样机的电路原理图:

该电路原理图中,FT8440BD2作为核心芯片,通过合理的元件布局和连接,实现了高精度恒压输出。电路中包括了输入整流桥、滤波电容、高压启动电阻、反馈网络、续流二极管、电感等关键元件,这些元件协同工作,确保电源的稳定运行。
PCB布局对于电源性能至关重要,FT8440BD2方案采用了单面板双面元件的设计,PCB厚度为1mm。PCB顶面为插件元件,底面为贴片元件。这种布局方式不仅节省空间,而且便于生产和维护。

在PCB布局中,特别注意了元件的摆放位置和走线,以减少电磁干扰并提高电源的效率和稳定性。例如,输入端和输出端的元件被合理地分开,以避免相互干扰;功率元件和控制元件之间的连接尽量短而直,以减少寄生参数的影响。
以下是FT8440BD2方案的物料清单,包括了电路板、保险电阻、整流桥、铝电解电容、贴片电容、二极管、贴片电阻、色环电感、变压器、贴片电感和集成电路IC等元件。这些元件均为高品质的常用元件,易于采购且成本较低。

FT8440BD2:12V500mA过EMI高精度低成本恒压输出电源方案凭借其卓越的性能和合理的设计,在小家电辅助电源等领域展现出了巨大的应用潜力。它不仅满足了高精度、高效率、低待机功耗的要求,还具备良好的电磁兼容性和高可靠性,同时成本控制得当,易于生产和维护。