在当今电子设备日益普及的背景下,小家电等设备对辅助电源的需求持续增长。而一款性能卓越、成本可控的电源芯片,无疑是满足这一需求的关键。FT8451B,作为一款专为小家电辅助电源设计的高精度、低成本5V400mA恒压开关电源芯片,凭借其诸多优势,正逐渐成为市场的热门选择。
FT8451B是由辉芒微推出的一款高性能、高精度、低成本的非隔离PWM功率开关。该芯片集成了一个专门的电流模PWM控制器和一个高压功率开关管,其内部的误差放大器经过优化,能够保证优越的动态响应,从而确保在全电压输入范围内都能获得稳定的高精度输出电压。这种设计不仅提高了电源的稳定性和可靠性,同时也为小家电等设备提供了稳定的电力支持,确保设备能够在各种工作条件下正常运行。

FT8451B的电源规格设计充分考虑了小家电辅助电源的实际需求。其输入电压范围为90~264Vac,能够适应不同国家和地区的电网电压,具有很强的通用性。频率范围为47~64Hz,覆盖了常见的电网频率,进一步增强了其适用性。在输出方面,FT8451B能够提供稳定的5V电压和0.4A的输出电流,连续输出功率可达2.0W,完全能够满足小家电辅助电源的功率需求。

在效率方面,FT8451B表现出色。在115Vac和230Vac的满载条件下,其效率分别可达62%和60%,这一效率水平在同类产品中处于领先地位。高效率不仅意味着能源的充分利用,还能有效降低能源损耗,符合现代节能理念。此外,FT8451B的EMI(电磁干扰)性能也得到了充分考虑,其传导和辐射EMI均能达到相关标准,如EN55022B和EN55013,确保电源在运行过程中不会对周边设备产生电磁干扰,也不会受到外界电磁干扰的影响,保障了整个系统的稳定运行。
FT8451B采用BUCK-Boost结构,这种结构具有诸多优势。首先,它能够有效减少外围元件的数量,从而降低整体成本。在电路设计中,外围元件的减少不仅简化了电路布局,还降低了因元件故障而导致的可靠性问题。其次,BUCK-Boost结构能够实现宽输入电压范围的稳定输出,这对于需要适应不同电网电压的小家电辅助电源来说至关重要。

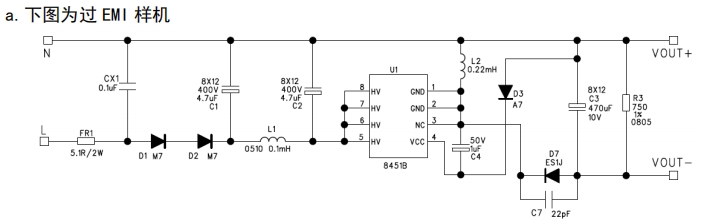
在电路原理图中,可以看到FT8451B的输入端通过一个电感L1与高压输入相连,电感L1的作用是储能和滤波,能够有效平滑输入电流,减少电流的波动。同时,一个色环电阻FR1与电感L1串联,起到限流和保护的作用,防止输入电流过大对芯片和电路造成损坏。在输出端,一个工字型电感L2与芯片相连,其感量为0.22mH,这个电感在电路中起到关键的储能和电流调节作用,确保输出电流的稳定。此外,多个电解电容和陶瓷电容分布在电路中,用于滤波和稳定电压,进一步提高电源的输出质量。
FT8451B内部集成了高压启动功能,起机时间短,典型值仅为50ms。这一特性使得电源能够在短时间内迅速启动并进入稳定工作状态,大大提高了设备的响应速度和用户体验。同时,芯片还具备优越的动态响应能力,能够快速适应负载的变化,确保输出电压的稳定。这对于一些需要快速响应负载变化的小家电设备来说,如电动牙刷、剃须刀等,能够提供更加稳定的电力支持,延长设备的使用寿命。
FT8451B的PCB布局设计同样精心考虑。采用单面板设计,元件分布合理,便于生产和维护。PCB厚度为1mm,尺寸为70mm×33.5mm,这种尺寸设计既保证了足够的元件布局空间,又不会使PCB过大,影响设备的整体体积和便携性。在元件分布上,PCB顶面主要为插件元件,底面则为贴片元件。这种分布方式充分利用了PCB的空间,提高了空间利用率,同时也便于元件的焊接和安装。

在实际的PCB布局中,需要注意一些关键元件的布局和走线。例如,电感L1和L2应尽量靠近芯片,以减少线路阻抗和寄生电感的影响。同时,输入端和输出端的滤波电容应尽量靠近电感和芯片,以提高滤波效果。此外,电源的地线应尽量宽且短,以降低地线阻抗,减少地线上的电压降。合理的PCB布局不仅能够提高电源的性能,还能有效降低电磁干扰,提高整个系统的可靠性。
FT8451B的物料清单简洁明了,主要包括以下几个关键元件:

集成电路IC:FT8451B芯片本身,采用SOP8封装,内置700V高压功率开关管,可靠性高。
电感:包括一个1mH的色环电感L1和一个0.22mH的工字型电感L2。这两个电感在电路中起到关键的储能和电流调节作用,其性能直接影响电源的输出质量和稳定性。
电容:多个电解电容和陶瓷电容,如4.7uF/400V的铝电解电容C1和C2
,470uF/10V的铝电解电容C3,以及22pF的贴片陶瓷电容C7。这些电容用于滤波和稳定电压,确保电源输出的纯净和稳定。
二极管:包括普通二极管和快速二极管,如M7型号的普通二极管D1和D2
,以及ES1J型号的快速二极管D7。这些二极管在电路中起到整流和续流的作用,确保电流的单向流动和电感的正常工作。
电阻:如5.1R/2W的色环电阻FR1和750R的贴片电阻R3。这些电阻在电路中起到限流、分压和?;さ淖饔谩?br/>
其他元件:如X电容CX1,用于抑制电磁干扰;压敏电阻MOV1,用于过电压?;?。
整个物料清单简洁且成本可控,通过精心选择和搭配这些元件,能够实现高性能、高可靠性的电源设计。同时,简洁的BOM也有利于生产过程中的物料采购和管理,提高生产效率,降低生产成本。
FT8451B作为一款高精度、低成本的5V400mA恒压开关电源芯片,凭借其优越的性能和简洁的设计,为小家电辅助电源提供了一个理想的解决方案。其BUCK-Boost结构、内部集成的高压启动功能以及优越的动态响应能力,确保了电源在各种工作条件下的稳定性和可靠性。精心设计的PCB布局和简洁的物料清单,不仅提高了生产效率,还降低了生产成本。