在电子设计领域,选择合适的功率开关对于电源管理至关重要。KP322X 系列作为一款高性能低成本的离线式 PWM 控制功率开关,凭借其多样化的型号和封装形式,为工程师提供了丰富的选择,以满足不同应用场景的需求。本文将深入解析 KP322X 系列的各个型号及其封装特点,帮助读者更好地理解并选择适合的型号。

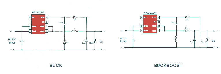
KP322X 系列是一款专为离线式小功率降压型应用设计的 PWM 控制功率开关。它集成了 650V 高压 MOSFET 和高压启动电路,支持降压和升降压拓扑,能够实现固定 12V 输出。该系列产品的核心优势在于其多模式控制技术,能够在不同负载条件下自动调节开关频率,从而简化外围电路设计,提升线性调整率和负载调整率,并有效消除可闻噪音。
此外,KP322X 系列还具备完备的?;すδ?,包括过载保护、逐周期电流限制、输出过压保护、VDD 过压欠压?;さ?,确保了系统的稳定性和可靠性。
封装类型:SOP-8
内阻:10Ω
输入电压范围:150-265Vac
稳态负载能力:300mA
峰值负载能力:400mA
KP3221SG 采用 SOP-8 封装,适用于需要较高集成度和较小空间的应用场景。其 10Ω 的内阻在保证性能的同时,能够有效控制功耗。150-265Vac 的宽输入电压范围使其能够适应多种电源环境,而 300mA 的稳态负载能力和 400mA 的峰值负载能力则满足了小家电电源等应用的需求。
封装类型:DIP-7
内阻:10Ω
输入电压范围:150-265Vac
稳态负载能力:300mA
峰值负载能力:400mA
KP3221DP 与 KP3221SG 在电气参数上基本一致,但采用了 DIP-7 封装。DIP-7 封装更适合于传统插件式安装,便于手工焊接和调试,因此在一些对安装方式有特殊要求的工业控制应用中更为常见。
封装类型:DIP-7
内阻:4.0Ω
输入电压范围:150-265Vac
稳态负载能力:500mA
峰值负载能力:700mA
KP3222DP 在性能上进行了提升,其内阻降低至 4.0Ω,能够支持更高的负载能力。500mA 的稳态负载能力和 700mA 的峰值负载能力使其能够满足更大功率需求的应用,如一些小型工业设备的电源。
封装类型:DIP-7
内阻:2.0Ω
输入电压范围:150-265Vac
稳态负载能力:600mA
峰值负载能力:800mA
KP3224DP 是 KP322X 系列中性能最强的型号,其内阻仅为 2.0Ω,能够支持高达 600mA 的稳态负载和 800mA 的峰值负载。这使得 KP3224DP 非常适合于对功率要求较高的应用,如一些高性能的小家电或工业控制设备。

SOP-8 封装是一种常见的表面贴装封装形式,具有尺寸小、散热性能好、集成度高等优点。它适用于自动化生产,能够有效提高生产效率和可靠性。KP3221SG 采用 SOP-8 封装,适合于对空间要求较高的应用,如小型家电电源等。
DIP-7 封装是一种传统的插件式封装形式,具有安装方便、调试容易等优点。它适合于一些需要手工焊接或对安装方式有特殊要求的应用场景,如一些工业控制设备。KP3221DP、KP3222DP 和 KP3224DP 均采用 DIP-7 封装,能够满足不同功率需求的应用。

KP322X 系列凭借其多样化的型号和封装形式,为工程师提供了丰富的选择。从 KP3221SG 的 SOP-8 封装到 KP3224DP 的 DIP-7 封装,每个型号都针对不同的应用场景进行了优化。无论是在小家电电源还是工业控制设备中,KP322X 系列都能提供高性能、低成本的解决方案。通过本文的介绍,相信读者对 KP322X 系列有了更深入的了解,能够更好地选择适合的型号以满足自身的设计需求。