LPK8728作为一款高度集成的隔离型适配器和充电器的自供电PSR控制芯片,以其极简的外围设计、高效的性能和全面的保护功能,成为了15W-18W功率范围内理想的电源解决方案。本文将深入解析LPK8728芯片的特性、典型应用、内部结构以及应用设计要点,帮助工程师更好地理解和应用这款芯片。

LPK8728是一款专为隔离型适配器和充电器设计的自供电PSR控制芯片。它通过外置电阻可调原边峰值电流,并通过变压器原副边匝比来设置输出恒流点。此外,通过设定FB脚上的偏电阻,可以灵活调整输出恒压点。为了简化系统设计,降低成本,LPK8728内置启动电路,无需外部启动电阻,并采用自供电方式取消了辅助绕组VCC供电二极管。芯片还集成了输出线缆补偿功能,通过设定FB外置上下偏电阻的值来调节输出线缆补偿值,从而实现更好的输出电压调整率。
在?;すδ芊矫?,LPK8728提供了全面的保障,包括VCC钳位/欠压?;?、FB脚电阻开短路保护、输出短路?;ぁ⑹涑龉贡;ひ约肮卤;さ?。这些保护功能确保了芯片在各种异常工作条件下的稳定性和可靠性。LPK8728采用SOP8L封装,具有良好的散热性能和易于集成的特点。
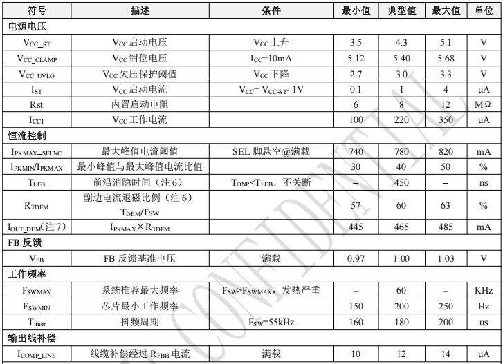
LPK8728的规格参数详细列出了其在电气性能、工作条件和?;すδ艿确矫娴墓丶副辍@?,芯片的VCC启动电压范围为3.5V至5.1V,工作电流范围为100uA至350uA。最大峰值电流阈值可达780mA,最小峰值与最大峰值电流比值为30%至50%。在?;すδ芊矫?,FB脚电阻开路保护电流阈值分别为56uA(启机前6个周期内)和20uA(启机6个周期后)。输出短路保护阈值为0.45V至0.55V,过压?;さ缪刮?.2V至1.4V。这些参数确保了LPK8728在不同工作条件下的稳定性和可靠性。

LPK8728的典型应用图展示了其在隔离型电源转换系统中的连接方式和主要元件配置。如图1所示,该芯片通过变压器与输入电源相连,通过反馈引脚FB与输出端相连,实现对输出电压和电流的精确控制。在典型应用中,LPK8728可以应用于适配器、充电器、LED驱动电源以及线性电源和RCC开关电源的升级换代等场景。

LPK8728的内部结构框图揭示了其高度集成的设计理念。如图3所示,芯片内部集成了供电电路、VCC钳位、恒压恒流控制、控制驱动、欠压?;ぁ⑸系缰刂?、退磁检测、电流检测以及PFM控制等功能模块。这些??樾ぷ鳎迪至烁咝У牡缭醋缓途返氖涑隹刂?。例如,恒压恒流控制??橥ü觳夥蠢∫臚B的电压,与内部基准电压进行比较,形成闭环控制,从而实现对输出电压和电流的稳定调节。

在应用LPK8728设计电源系统时,需要遵循一些关键的设计要点。首先,芯片的启动电流仅为1uA,系统上电后通过内部启动电路给Vcc的电容进行充电,当Vcc电压达到芯片开启阈值时,芯片内部控制电路开始工作。系统启动后,Vcc由内部专有的供电电路进行供电。
峰值电流设置通过SEL脚外接电阻RSEL实现,可调最大峰值电流IPKMAX。恒流控制和输出恒流电流设置通过检测电感的峰值电流实现,当原边电感中的实时电流大于芯片设定的最大峰值电流IPKMAX时,功率管关断。输出电流IOUT与变压器的匝数比、峰值电流和退磁时间等因素有关。
恒压控制通过电阻采样反激电压,电阻分压后的电压与内部基准比较形成闭环,从而恒定输出电压Vout。在轻载和带载条件下,输出电压的计算公式有所不同,需要根据具体的应用场景进行调整。

此外,LPK8728还提供了多种?;すδ?,如FB脚上电阻开路?;?、短路保护、输出过压保护、VCC钳位/欠压?;ひ约肮卤;さ?。这些?;すδ苋繁A诵酒诟髦忠斐9ぷ魈跫碌奈榷ㄐ院涂煽啃浴?br/>
在PCB设计方面,需要遵循一些特定的指南。例如,VCC的旁路电容需要紧靠芯片VCC和GND引脚,SEL脚的电阻需要紧靠芯片SEL和GND引脚。接到FB脚的分压电阻必须靠近FB引脚,且节点要远离变压器原边绕组的动点。适当增加C引脚的铺铜面积可以提高芯片的散热性能。此外,减小功率环路的面积可以有效降低EMI辐射。
LPK8728以其高度集成的设计、极简的外围电路、高效的性能和全面的?;すδ?,成为了15W-18W功率范围内理想的电源解决方案。通过本文的详细解析,工程师可以更好地理解和应用这款芯片,设计出高效、稳定、可靠的电源系统。无论是适配器、充电器还是LED驱动电源,LPK8728都能提供出色的性能和灵活性,满足不同应用场景的需求。