无论是智能手机、平板电脑还是其他便携式设备,高效的充电解决方案不仅能提升用户体验,还能显著缩短设备的等待时间。LP8718B 作为一款集成了高压 MOSFET 的恒压恒流 20W 快充芯片,凭借其卓越的性能和丰富的功能,为快充领域提供了一种极具竞争力的解决方案。
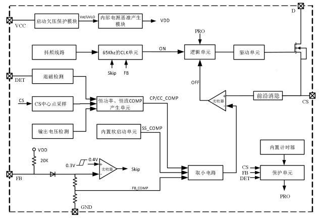
LP8718B 是一款专为副边控制反激应用设计的隔离型恒压恒功率恒流驱动芯片。它集成了 650V 高压功率管,采用峰值电流模式控制,能够实现高精度的恒压、恒功率和恒流输出。该芯片特别适用于多输出电压的快充应用,如手机快充和 PD(Power Delivery)适配器。LP8718B内部框架图如下所示~

LP8718B 内置 650V 高压功率管,导通阻抗低至 2.0Ω,能够有效降低功耗并提高效率。这一特性使其在高压输入条件下依然能够保持高效的能量转换。
恒压控制:通过光耦反馈,芯片能够精确控制输出电压,恒压精度高达 ±3%。在不同负载条件下,输出电压始终保持稳定。
恒流控制:通过 DET 脚检测输出电压,芯片能够动态调整输出电流,实现高输出电压下的恒功率和低输出电压下的恒流特性。这一特性特别适用于多输出电压的快充场景。
频率折返:在中载以下,芯片开始降低开关频率以提升平均效率。在轻载或空载时,系统进入打嗝模式,进一步降低功耗。
软启动:内置 9ms 的软启动功能,逐周期增加 VCS ?;ゃ兄?,避免变压器饱和和副边二极管应力过大。
LP8718B 提供了全面的保护功能,确保系统在各种异常情况下都能安全运行:
VCC 欠压?;ぃ║VLO):当 VCC 电压低于设定阈值时,芯片停止工作,防止因低电压导致的不稳定运行。
VCC 过压保护(OVP):当 VCC 电压超过设定阈值时,芯片立即停止工作,?;ば酒馐芨叩缪顾鸹?。
输出短路保护(SCP):当输出短路时,芯片能够快速检测并进入?;ぷ刺?,防止过流损坏。
过温?;ぃ∣TP):当芯片温度超过设定阈值时,自动进入?;ぷ刺?,防止因高温导致的损坏。
光耦输入端短路?;ぃ旱惫怦钍淙攵硕搪肥?,芯片能够检测并进入?;ぷ刺?,防止因短路导致的误操作。
LP8718B 采用 ASOP6 封装,尺寸紧凑,适合高密度设计,能够有效节省 PCB 空间。

LP8718B 的典型应用电路如下图所示:
输入端(Vin):通过整流桥将交流输入转换为直流输入,连接到变压器的原边。
输出端(Vout):通过变压器的副边绕组、整流二极管和滤波电容,提供稳定的 5V 输出。
反馈电路:通过光耦将副边的反馈信号传输到芯片的 FB 脚,实现精确的恒压控制。
DET 脚:用于检测输出电压和退磁点,实现恒功率和恒流控制。
CS 脚:用于检测峰值电流,实现过流?;?。

恒压模式:在输出电压稳定时,FB 脚的电压控制 VCS 和开关频率 FSW,维持输出电压的稳定。
恒功率模式:当输出电压降低时,DET 脚检测到的电压变化会调整输出电流,维持恒功率输出。
恒流模式:当输出电压进一步降低时,芯片进入恒流模式,输出电流保持不变。
打嗝模式:在轻载或空载时,系统进入打嗝模式,降低开关频率,减少功耗。
频率抖频:通过频率抖频技术,有效改善 EMI 性能,减少电磁干扰。
多种?;すδ埽喊?VCC 欠压?;ぁCC 过压?;ぁ⑹涑龆搪繁;?、过温?;さ龋繁O低嘲踩诵?。
LP8718B 特别适用于以下场景:
手机快充:支持多输出电压,能够满足不同设备的快充需求。
PD 适配器:适用于 USB Power Delivery 适配器,提供高效、稳定的电源输出。
智能家居设备:为智能插座、智能门锁等设备提供稳定的电源支持。
LP8718B 作为一款集成了高压 MOSFET 的恒压恒流 20W 快充芯片,凭借其高效的能量转换、精确的输出控制和全面的?;すδ?,为快充领域提供了一种理想的解决方案。它不仅能够满足现代电子设备对快速充电的需求,还能确保系统在各种工作条件下的安全性和稳定性。无论是手机快充、PD 适配器还是智能家居设备,LP8718B 都能提供卓越的性能表现,是快充设计的不二之选。