在当今的电子设备中,许多低功耗应用场景(如 IoT 设备、智能传感器等)需要一种高效、低成本且结构简单的电源解决方案。晶丰明源推出的 BPA8504D 芯片,凭借其高度集成化的设计,为 5V150mA 的非隔离 Buck 电源方案提供了一个理想的参考设计。本文将详细介绍该方案的芯片简介、电源规格、电路设计、实物图、BOM 成本以及效率分析等内容,帮助读者快速理解和应用这一方案。
BPA8504D 是一款高度集成的 AC/DC PWM 功率开关芯片,专为小功率电源应用设计。它集成了 650V 高压 MOSFET、PWM 控制器、高压启动电路以及多种?;すδ埽ㄈ绻?、过流、过压和欠压?;ぃ蟮丶蚧说缭瓷杓频母丛有?。该芯片采用 SOP-7 封装,适用于家用电器辅助电源、电机驱动辅助电源、IOT 设备、智能家居、智能照明以及工业控制辅助电源等领域。

以下是 BPA8504D 5V150mA 非隔离 Buck 方案的主要电源规格:
| 项目 | 符号 | 最小值 | 典型值 | 最大值 | 单位 | 备注 |
|---|---|---|---|---|---|---|
| 输入电压 | VIN | 85 | 115/230 | 264 | VAC | 适用于全球电网 |
| 输入频率 | fLINE | 47 | 50/60 | 63 | Hz | |
| 输出电压 | VOUT | 4.75 | 5 | 5.25 | V | ±5% |
| 输出电流 | IOUT | 0 | 150 | - | mA | |
| 输出电压纹波 | VRIPPLE | - | - | 100 | mV | 20MHz 带宽 |
| 连续输出功率 | POUT | - | 0.75 | - | W | |
| 待机功耗 | PSTDBY | - | 229 | - | mW | 230VAC,包含 1kΩ 假负载 |
| 满载效率 | η | - | 50 | - | % | |
| 传导 EMI | - | - | - | - | - | 满足 CISPR22/EN55022 Class B |
| 浪涌电压 | - | - | - | 2 | kV | 差模 |
| 脉冲群电压 | - | - | - | 4 | kV | 5kHz/100kHz/38kHz |
| 工作环境温度 | TAMP | 0 | 50 | - | ℃ |
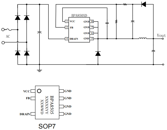
以下是 BPA8504D 5V150mA 非隔离 Buck 方案的电路图:

保险丝:使用 1.6A/250V 的保险丝,确保在过流情况下?;さ缏贰?br/> NTC 热敏电阻:22Ω/1W 的 NTC 热敏电阻用于抑制开机浪涌电流。
X2 电容:0.1μF/250VAC 的 X2 电容用于滤除共模干扰,确保 EMI 性能。
整流桥:使用 M7 型号的整流桥,耐压 1000V,电流 1A,将交流电整流为直流电。
电解电容:2.2μF/400V 的电解电容用于高压滤波。在 85VAC 输入时,该电容容量可能不足,建议增加到 3.3μF 或 4.7μF 以确保满载启动。
主功率部分:
BPA8504D 芯片:SOP-7 封装,集成 650V MOSFET 和 PWM 控制器。
电感:1mH 的工字电感(?8×10mm),用于储能和滤波。
续流二极管:ES1J 型号,1A/600V,反向恢复时间 35ns,确保高效续流。
电解电容:220μF/16V 的电解电容用于输出滤波,确保输出电压的稳定性。
贴片电容:10μF/25V 的贴片电容进一步降低输出纹波。
反馈部分:
分压电阻:2.2kΩ 和 4.7kΩ 的电阻用于分压,将输出电压反馈到 BPA8504D 的 FB 脚。
以下是该方案的BOM清单:

在 230VAC 输入下,包含 1kΩ 假负载的待机功耗为 229mW,满足大多数应用场景的低功耗要求。

在不同输入电压下,该方案的满载效率如下表所示:
| 输入电压 (VAC) | 效率 (%) |
|---|---|
| 85 | 46 |
| 115 | 48 |
| 230 | 50 |
| 264 | 50 |
在不同负载条件下,输出电压纹波如下表所示:
| 输入电压 (VAC) | 负载条件 | 纹波 (mV) |
|---|---|---|
| 85 | 空载 | 29.4 |
| 115 | 空载 | 34.7 |
| 230 | 空载 | 55.0 |
| 264 | 空载 | 59.1 |
| 85 | 满载 | 482.0 |
| 115 | 满载 | 50.9 |
| 230 | 满载 | 66.2 |
| 264 | 满载 | 71.4 |
在 85VAC 输入时,原设计中的 2.2μF 电解电容容量较小,可能导致满载启动失败。建议将输入电解电容容量增加到 3.3μF 或 4.7μF,以确保满载启动并降低输出纹波。
BPA8504D 芯片的软启动功能在起始限流值为 0.4×Ilimit,经过 63 个开关周期后增加到 0.7×Ilimit,持续 64 个周期后结束软启动。这一功能可以有效降低二极管反向恢复电流,从而降低 MOSFET 的电流应力。
在 10%-90% 动态负载条件下,输出电压的过冲为 320-344mV。如果需要进一步降低过冲,可以考虑增加输出电容容量至 470μF。
BPA8504D 5V150mA 非隔离 Buck 电源方案凭借其高度集成化的设计和极简的 BOM 成本,为低功耗应用场景提供了一个高效、可靠的电源解决方案。该方案不仅满足了全球电网的输入要求,还具备低待机功耗、高效率以及良好的 EMI 性能。