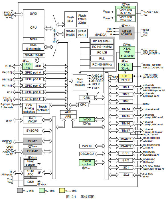
当智能硬件走向“高算力+低功耗+丰富外设”时代,8位机常常力不从心,而主流32位MCU又面临成本敏感、封装庞大、开发复杂等痛点?;悦⑽⑼瞥龅?FT32F072xx 系列(含 RBAT7/CBAT7/KBBT7/KBBU7/KBCW7 等子型号)恰逢其时:Cortex-M0 内核跑 96 MHz,2.0-5.5 V 超宽压,24×Touch Key、1×USB 2.0、双运放、四比较器、1 Msps ADC 全部塞进最小 4 mm×4 mm QFN32。一颗芯片即可覆盖家电控制、工业节点、便携测量、健康美容、USB Dongle 等海量应用,且现场 BOM 成本与 8 位机几乎持平——“加量不加价”的升级方案,由此展开。
| 子型号 | Flash/SRAM | GPIO | ADC 通道 | 封装 | 特色应用 |
|---|---|---|---|---|---|
| RBAT7 | 128 k/24 k | 51 | 16 ext+6 int | LQFP64 | 高 IO 数,工业 HMI |
| CBAT7 | 128 k/24 k | 37 | 10 ext+6 int | LQFP48 | 平衡型,伺服控制 |
| KBBT7 | 128 k/24 k | 25 | 10 ext+6 int | LQFP32 | 小体积,家电主板 |
| KBBU7 | 128 k/24 k | 25 | 10 ext+6 int | QFN32-B | 超薄无线 Dongle |
| KBCW7 | 128 k/24 k | 25 | 10 ext+6 int | QFN32-C | 底部散热焊盘,美容仪 |
→ 全系硬件兼容:外设地址、引脚排列、寄存器位域保持一致,工程师可“大封装调试→小封装量产”,无需修改原理图。



从 64 脚的工业 HMI 到 4 mm×4 mm 的便携美妆,FT32F072xx 用一颗芯片覆盖了“性能—成本—体积”黄金三角:Cortex-M0 跑 96 MHz 让算法游刃有余,2.0-5.5 V 超宽压让电源设计极简,丰富模拟/电机/USB 外设让外围 BOM 一减再减。深圳三佛科技提供技术支持,批量价格有优势~