PN8366SSC-R1M芯朋微SOP7/6W 原边控制器电源芯片
5V1.2A SOP7
5V1.2A SOP7
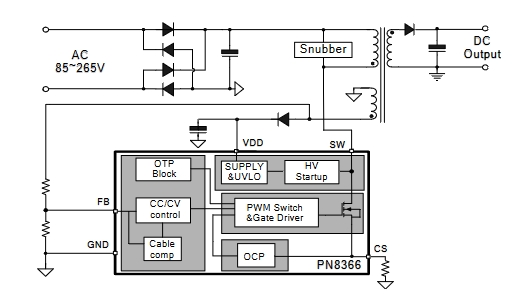
PN8366SSC-R1M集成超低待机功耗准谐振原边控制器及高雪崩能力智能功率MOSFET(PN8366M 700V,PN8366H 800V),用于高性能、外围元器件精简的充电器、适配器和内置电源。

PN8366为原边反馈工作模式,可省略光耦和TL431。内置高压启动电路,可实现芯片空载损耗(230VAC)小于30mW。在恒压模式,采用准谐振与多模式技术提高效率并消除音频噪声,使得系统满足6级能效标准,可调输出线补偿功能能使系统获得较好的负载调整率;在恒流模式,输出电流和功率可通过CS脚的电阻进行调节。该芯片提供了极为全面的智能?;すδ?,包含逐周期过流?;?、过压?;?、开环保护、过温保护、输出短路保护和CS开/短路?;さ?。
内置高雪崩能力智能功率MOSFET(M 700V/H 800V)
内置高压启动电路,小于30mW空载损耗(230VAC)
采用准谐振与多模式技术提高效率,满足6级能效标准
全电压输入范围±5%的CC/CV精度
原边反馈可省光耦和TL431
恒压、恒流、输出线补偿外部可调
无需额外补偿电容
无音频噪声
智能?;すδ?过温?;?(OTP)
VDD欠压&过压?;?(UVLO&OVP)
逐周期过流?;?(OCP)
CS开/短路?;?(CS O/SP)
开环?;?(OLP)
PN8366MSSC-R1 SOP-7 6W
PN8366HSSC-R1 SOP-7 6W

开关电源适配器
电池充电器
机顶盒电源