AP5056SPER芯朋微SOP8/MSOP8 封装 1A线性锂电池充电器芯片
4.2V 1A SOP8
4.2V 1A SOP8
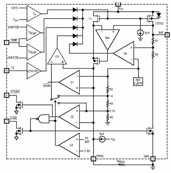
AP5056SPER 是一个完整的单片锂离子电池恒流/恒压线性电源管理芯片,其 SOP/MSOP 封装和极少的外围元件非常适合应用于便携式产品,而且 AP5056 专门设计适用于 USB 的供电规格。基于内部 MOSFET结构,不需要外部感应电阻和隔离二极管,当外部环境温度过高或在大功率工作时,热反馈可以调节充电电流以降低芯片温度。
充电电压被固定在4.2V,充电电流可通过外部电阻设置。当充电电流在达到最终浮充电压之后降至设定值 1/10 时,AP5056 将自动终止充电循环。当输入端(适配器或USB电源)拔掉后,AP5056自动进入低电流状态,电池漏电流将降到2μA以下。AP5056还可被设置于?;刺?,使电源电流降到50μA。其余特性包括:电池温度监测,欠压锁闭,自动再充电和两个状态引脚以显示充电和充电终止。

高达 1000mA 的可编程充电电流
不需外接 MOSFET, 传感电阻和隔离二极管
用于单节锂离子电池、采用 SOP/MSOP 封装的完整线性充电器
恒定电流/恒定电压操作,并具有可在无过热危险的情况下实现充电速率最大化的热调节功能
直接从 USB 接口管理单节锂离子电池充电
预设充电电压 4.2V
用于电池电量检测的充电电流监控器输出
自动重新充电
充电状态双输出、无电池和故障状态显示
1/10 充电电流终止充电
停止工作状态电流50uA
2.9V涓流充电阀值电压
软启动限制浪涌电流
电池温度检测功能
采用8引脚 SOP8- PP封装和MSOP8-PP封装

手机、 PDA、 MP3、MP4
充电器
数码相机
电子词典
蓝牙、GPS导航仪