PN8044芯朋微18V300MA 高性能非隔离交直流电源芯片
18V300MA DIP8 非隔离
18V300MA DIP8 非隔离
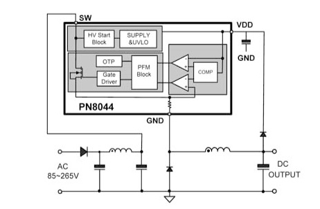
PN8044集成PFM控制器及650V高雪崩能力智能功率MOSFET,用于外围元器件极精简的小功率非隔离开关电源。PN8044内置650V高压启动??椋迪窒低晨焖倨舳?、超低待机功能。该芯片提供了完整的智能化?;すδ?,包括过载?;?,欠压?;?,过温?;ぁA硗釶N8044的降频调制技术有助于改善EMI特性。
内置650V高雪崩能力智能功率MOSFET.
内置高压启动电路.
优化适用于18V输出非隔离应用.
PN8044半封闭式稳态输出功率5.4W @230VAC
PN8046半封闭式稳态输出功率9W @230VAC
改善EMI的降频调制技术
优异的负载调整率和工作效率
全面的?;すδ?
过载?;ぃ∣LP)
过温?;ぃ∣TP)
欠压?;ぃ║VLO)
