BP85256D晶丰明源SOP7封装12V 300MA非隔离开关电源驱动芯片
12V 300MA SOP7
12V 300MA SOP7
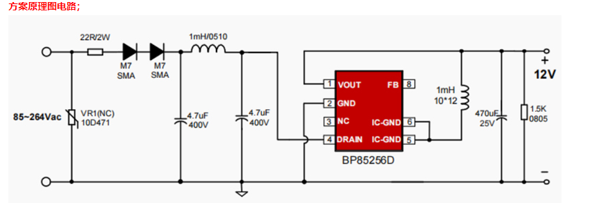
BP85256D 是一款高性能、高集成度、低待机功耗的开关电源驱动芯片,适用于全电压 85~265VAC 输入的 Buck、Buck-Boost 变换器拓扑应用。 BP85256D 内部集成了 650V 高压 MOSFET、高压启动和自供电电路、电流采样电路、电压反馈电路以及续流二极管,采用先进的控制技术,无需外部 VCC 电容和环路补偿即可实现优异的恒压输出特性,减少外围器件数量,节省系统成本和体积,同时提高可靠性。

集成 VCC 电容、续流二极管和反馈二极管
集成 650V 高压 MOSFET
集成高压启动和自供电电路
低待机功耗 50mW@230Vac
固定 12V 输出
优异的动态响应速度,输出电压纹波小
良好的负载调整率和线性调整率
降低音频噪声的降幅调制技术自适应开关频率,最高 45kHz
改善 EMI性能的频率调制技术
内置软启动功能
?;すδ?。
小家电辅助电源 ,电机驱动辅助电源 ,IOT/智能家居/智能照明