AIP1628中微爱芯SOP28封装 LED驱动控制专用芯片
SOP28 封装
SOP28 封装
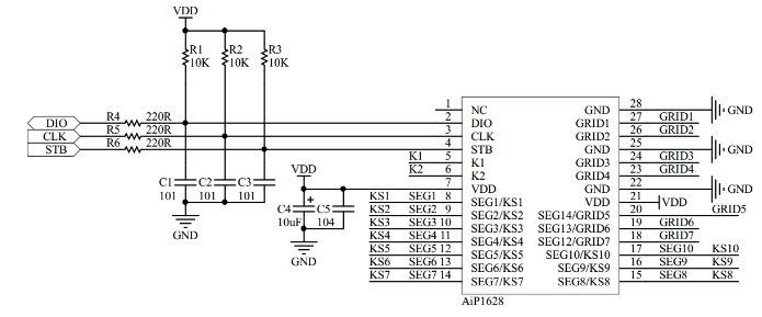
3线串口共阴极10段7位或13段4位 LED驱动控制/ 10*2位键盘扫描专用电路
AiP1628是带键盘扫描接口的LED驱动控制专用电路,内部集成有MCU数字接口、数据锁存器、键盘扫描等电路。本产品主要应用于VCR、VCD、DVD及家庭影院等产品的显示屏驱动。
采用功率CMOS工艺
显示模式(10段x7位~13段x4位)
键扫描(10x2bit)
辉度调节电路(占空比8级可调)
串行接口(CLK,STB, DIO)
内置RC振荡(450KHz+5%)
内置上电复位电路
封装形式: SOP28

LED显示面板场合,例如微波炉,电磁炉,热水器等家电产品。