在现代电子设备中,电源适配器的性能和效率至关重要。本文将详细介绍基于FT8395PB2和FT8374FB的六级无Y适配器电源参考设计,旨在提供一种高性价比、高效率的电源解决方案。
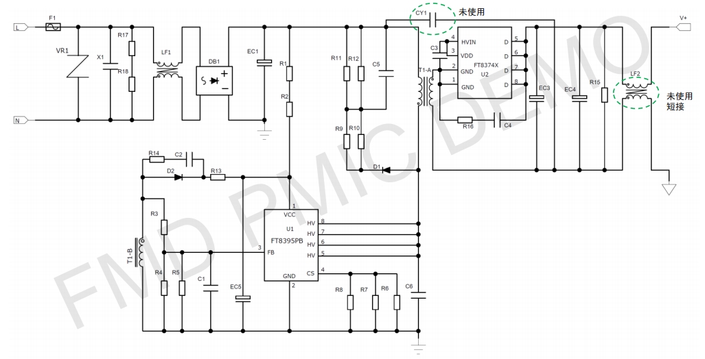
FT8395PB2 是一款高度集成的原边反馈控制芯片,具备以下特点:
工作在脉冲频率调制(PFM)模式下,轻载时系统功耗极小。
启动电流最大为3uA,可以使用大启动电阻提高节能效果。
提供多种?;すδ?,包括输入欠压锁定、峰值电流限制、恒流控制和过温?;ぁ?br/>
FT8374FB 是一款高性能的同步整流芯片,具有以下特性:
支持CCM/OR/DCM的反激转换器。
自供电以支持宽的输出电压范围(3.3V-21V)。
极简的外围元件,只需1个电容。
超短的开启和关断延迟(20ns)。

高效率与低功耗:FT8395PB2和FT8374FB的组合提供了高效率的电源转换,同时在轻载时保持低功耗,满足六级能效要求。
简化设计:极简的外围元件需求减少了电路设计的复杂性和成本。
高集成度:集成了多种功能和?;ぬ匦裕ㄇ费顾?UVLO)、过温?;?OTP)、逐周期电流限制(OCP)等。
优秀的EMI特性:内置的抖频技术使得EMI处理更加简单,有助于通过相关认证。
3. 设计要点及电路原理图

输入电压范围:全电压范围待机低于75mW,满足能效六级标准。
开关频率:典型65kHz开关频率,提供良好的EMI特性。
保护机制:包括过压/欠压/过温/短路?;さ?,确保系统的高可靠性。
4.变压器规格和PCB布局

5.应用场景
适配器:适用于各种电子设备的电源适配器,如手机、笔记本电脑等。
充电器:可以用于设计高效率的充电器,满足USB PD和PPS快充需求。
LED驱动:适用于需要高效率和高稳定性的LED照明应用。
6. 结论
FT8395PB2和FT8374FB的组合为六级无Y适配器电源提供了一个高性能、高效率的解决方案。这种设计不仅满足了现代电子设备对电源效率和稳定性的需求,而且通过简化的外围电路设计降低了成本,是电源适配器设计的优选方案。