LPKSF001-24V-2A-家电电源Demo部分测试报告
1、概述
本测试报告依照《家电 24V-2A 技术规格书》对电源的输入特性、输出特性、保护特性、EMC 特性、三温电性能进行了测试和测量??煽啃圆馐粤硗飧丁犊煽啃允匝楸ǜ妗?,内容包括了环境适应性测试、MTBF 测试和硬件电应力可靠性测试。
2、基本参数
额定输入电压:□100-240Vac ?200-240Vac □110/220Vac 手动切换
输入电压范围:□90-264Vac □176-264Vac □90-132Vac/200-240Vac
额定输出电压/电流和应用方式:应用方式/反激 负载/24V.2A
客户注重效率、EMI、噪音
3、参考文件
《家电 24V/2A 技术规格书》
4、Demo 资料:实物图

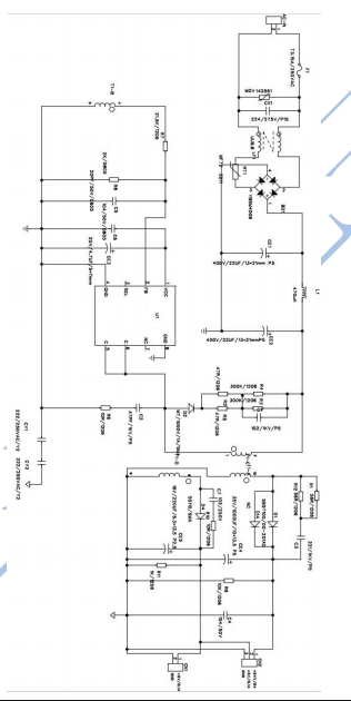
5、原理图

6、PCB图

7、BOM清单

以上是家电电源LPKSF001家电电源Demo部分测试报告,如果需要完整的测试报告可咨询在线客服获取。