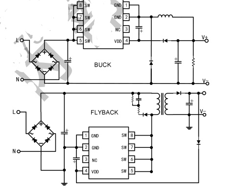
G2365X-15环球芯片替代PN8054SSC 非隔离交直流转换芯片
SOP8 和 DIP7 替代PN8054SSC
SOP8 和 DIP7 替代PN8054SSC
G2365X-15 是一款高集成度、高性能、低待机功耗的开关电源芯片,适用于非隔离开关电源应用。
G2365X-15 内部集成了高压启动电路、电流采样电路、电压反馈回路。外部无需启动电阻、电流采样电阻和
电压采样电阻,极大地减少了外围器件数量,节省了系统成本和体积,同时采用先进的技术无需其他补偿器件
即可实现优异的输出电压精度和负载调整率。
G2365X-15 提供了丰富的?;すδ?,包括:VDD欠压和钳位保护、输出过压?;?、过流?;?、过温保护、输
出短路?;さ取?/span>
◆ 内置高压功率管
◆ 内置高压启动电路,电流、电压采样电路
◆ 固定 15V 输出应用
◆ 优异的动态响应
◆ 内置软启动电路
◆ 集成完善的?;すδ埽?/span>
VDD 欠压和钳位?;ぁ⑹涑龉贡;?、过流保护、过温?;?、输出短路?;さ?/span>
AC-DC 非隔离开关电源
◆ 小家电辅助电源
◆ 电机驱动辅助电源
◆ 智能照明辅助电源
封装模式 SOP8 和 DIP7


