在现代电子设备中,充电器作为必不可少的配件之一,其性能和效率直接影响到设备的充电速度和使用寿命。LP3669A是一款专为5V 500mA输出设计的电源芯片,以其高效、稳定和集成度高的特点,在充电器方案中占据重要地位。本文将深入探讨LP3669A电源芯片的优势以及基于该芯片的电路方案设计。
高性能隔离型适配器和充电器的自供电原边反馈控制芯片:LP3669A能够通过检测变压器原边的电流和电压实现恒流和恒压功能,内置环路稳定性补偿,可以省略TL431、光电耦合器以及辅助绕组供电。
极低的待机功耗,满足六级能效:LP3669A的极低待机功耗使其满足当前对能效要求极高的市场标准。
谷底开通机制,提升系统效率:采用谷底导通技术,提升恒压效率,降低能耗。
专利的电流驱动,降低温升:特有的电流驱动技术有助于降低芯片在工作时的温度,提高可靠性。
特有随机抖频,改善EMI:LP3669A采用特有的随机抖频技术,优化EMI特性,减少电磁干扰。
高精度的恒压恒流控制:LP3669A能够实现高精度的恒压恒流控制,保证充电器的输出稳定。
特有的输出线损补偿技术:通过设定FB上的电阻值来调节输出线缆补偿值,有效补偿输出电流在输出线上的损耗压降。

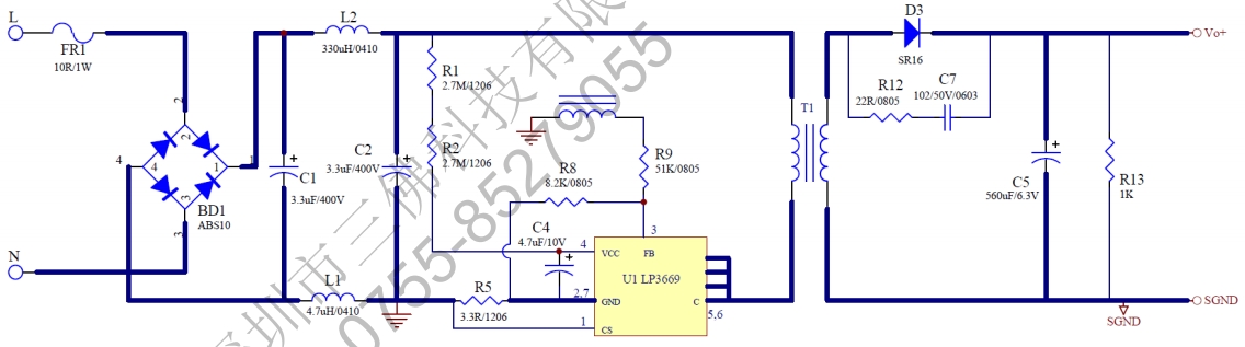
电路设计:LP3669A适用于双绕组原边反馈控制,系统工作于断续模式,适用于充电器和适配器以及其他辅助类电源。LP3669A采用特有的输出线损补偿技术,可以有效的补偿输出电流在输出线上的损耗压降;恒压时,采用谷底导通技术,提升恒压效率。

恒流控制与输出电流设置:LP3669A逐周期检测电感的峰值电流,通过设定外部的限流电阻和变压器原副边匝比来实现恒流输出功能。输出电流计算方法为:IO=14×IPPK×NPNSIO=41×IPPK×NSNP,其中,NPNP 是变压器主级的匝数,NSNS 是变压器次级的匝数,IPPKIPPK 是主级侧的峰值电流。
恒压控制与输出电压设置:LP3669A通过分压电阻采样反激电压,电阻分压后得到的电压与内部基准比较形成闭环后,来恒定输出电压VoVo。VO=1.2×(RFBL+RFBH)RFBL×NS×NPVO=RFBL1.2×(RFBL+RFBH)×NS×NP,其中,RFBLRFBL 是FB下拉电阻,RFBHRFBH 是FB上拉电阻。
保护功能:LP3669A集成了多种?;すδ?,包括VCC钳位/欠压保护,输出短路?;?,过温?;さ?,确保充电器在各种异常情况下的安全运行。
LP3669A电源芯片以其高效、稳定和集成度高的特点,成为5V 500mA输出充电器方案的理想选择。通过深入理解LP3669A的优势和电路方案设计,工程师可以设计出性能优异、安全可靠的充电器产品,满足市场对高效能充电器的需求。