在现代电子设备中,稳定且高效的电源方案是确保设备正常运行的关键。LP3715C+SS560组合的12V1A电源方案是一种高性能的电源适配器设计,它能够为各种电子设备提供稳定可靠的电源。本文将详细介绍该电源方案的原理图、电路板设计以及实物特点。
LP3715C是一款高效的PWM控制器,与SS560同步整流器搭配使用,可以提供高达86.7%的效率。这意味着在115VAC输入电压下,整个电源方案的转换效率非常出色,有助于减少能源浪费和降低运行成本。
该电源方案设计用于接受90至265VAC的输入电压,覆盖了全球大多数地区的市电标准,使其具有很好的通用性。
在恒压模式下,输出电压在11.4V至12.6V之间,而在恒流模式下,输出电压最低可至6.9V。这种设计确保了在不同负载条件下,输出电压都能保持稳定。
LP3715C提供了过流保护功能,当输出电流超过1.1A至1.8A时,电源会自动重启,以?;さ缏凡皇芩鸷?。

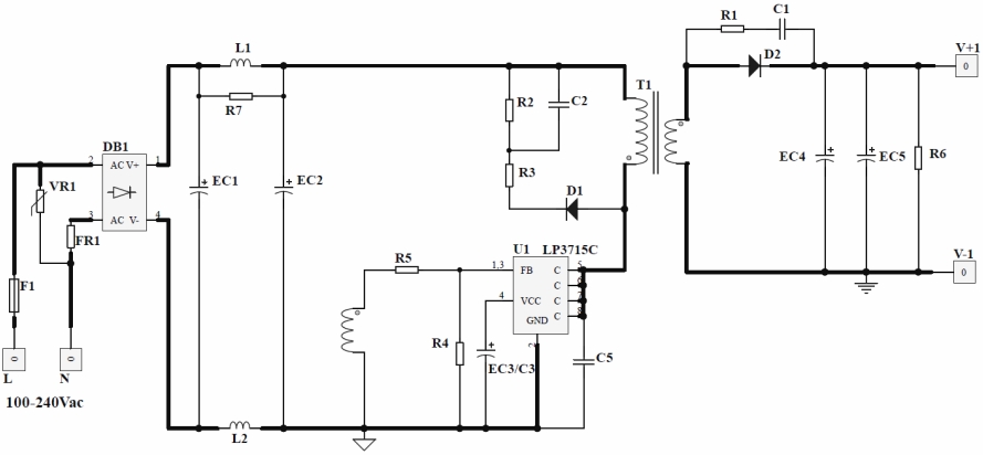
LP3715C+SS560电源方案的原理图展示了一个典型的开关电源设计,包括PWM控制器、同步整流器、保险丝、电阻、电容、二极管、电感和变压器等关键组件。以下是一些主要组件的功能:
LP3715C:作为PWM控制器,负责调节输出电压和电流。
SS560:同步整流器,提高电源效率。
保险丝:提供过流?;ぁ?br/> 电阻和电容:用于电压分压、滤波和稳定电路。
二极管:用于整流和?;ぁ?br/> 电感和变压器:用于能量存储和转换。

电路板的布局设计合理,确保了良好的散热性能和电气性能。关键组件如LP3715C和SS560被放置在易于散热的位置。
电路板上使用了高质量的元件,如贴片电阻、电解电容、贴片二极管和高压瓷片电容,这些元件的选用有助于提高电源的稳定性和可靠性。
电路板设计符合IEC950和UL1950 Class II安全标准,确保了产品的安全性。

测试报告显示,LP3715C+SS560电源方案在不同负载条件下都能保持高效率和稳定的输出电压。在满载条件下,输出电压的纹波和噪声控制在250mV以下,符合设计要求。此外,电源方案还通过了EMI测试,满足了CISPR22B / EN55022B标准。
LP3715C+SS560 12V1A电源方案是一个高效、稳定且安全的电源解决方案,适用于各种电子设备。其原理图和电路板设计都体现了高标准的工程实践,确保了电源方案的高性能和高可靠性。无论是对于设计工程师还是最终用户,这都是一个值得信赖的选择。