QQ客服
微信客服
24小时全国服务热线:18902855590
首页 ? 新闻中心 ? 产品新闻
代理销售品牌
企业简介
现货仓库
AC-DC电源管理芯片
MOS场效应管
IC集成电路
二三极管
IGBT管
MCU
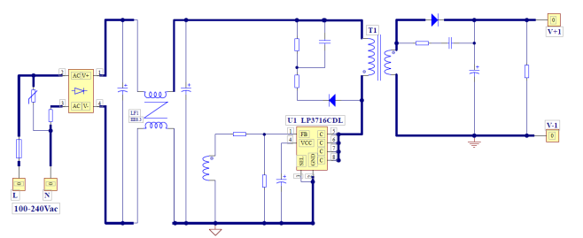
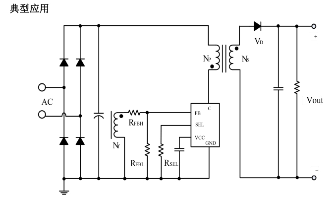
ACDC电源管理芯片应用
MOS场效应管应用
IC集成电路应用
二三极管应用
通知公告
产品新闻
媒体报道