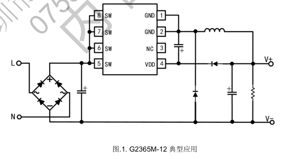
G2365M-12非隔离12V450mA贴片SOP8卷发棒电源芯片
12V 450MA SOP8
12V 450MA SOP8
高性能低成本非隔离交直流转换芯片
G2365X-12 是一款高集成度、高性能、低待机功耗的开关电源芯片,适用于非隔离开关电源应用。
G2365X-12 内部集成了高压启动电路、电流采样电路、电压反馈回路。外部无需启动电阻、电流采样电阻和电压采样电阻,极大地减少了外围器件数量,节省了系统成本和体积,同时采用先进的技术无需其他补偿器件即可实现优异的输出电压精度和负载调整率。
G2365X-12 提供了丰富的保护功能,包括:VDD欠压和钳位?;?、输出过压?;?、过流?;?、过温保护、输出短路?;さ?/span>
G2365M-12特点
◆ 内置高压功率管
◆ 内置高压启动电路、电流、电压采样电路
◆ 固定 12V 输出应用
◆ 优异的动态响应
◆ 内置软启动电路
◆ 集成完善的?;すδ埽?/span>
VDD 欠压和钳位?;?、输出过压保护、过流?;ぁ⒐卤;?、输出短路?;さ?。
G2365M-12应用
AC-DC 非隔离开关电源
◆ 小家电辅助电源
◆ 电机驱动辅助电源
◆ 智能照明辅助电源
封装模式 SOP8 和 DIP7

