在当今电子设备日益复杂且对电源效率要求极高的背景下,开关电源同步整流芯片成为了提升电源性能的关键元件之一。LP3610S作为芯茂微精心研发的一款高性能开关电源同步整流芯片,凭借其卓越的性能和广泛的应用兼容性,正在成为众多电源设计工程师的首选。
LP3610S 是一款专为开关电源设计的高性能同步整流芯片,它内置了耐压高达 45V 的功率管,能够兼容 DCM(不连续导通模式)和 CCM(连续导通模式)等多种工作模式。这款芯片采用了专利的整流管开通技术,有效避免了因激磁振荡引起的误开通现象,从而显著提高了电源系统的稳定性和可靠性。同时,LP3610S 还集成了 VCC 供电技术,确保芯片在各种工作状态下都能获得稳定的供电,进一步增强了系统的稳定性。LP3610S内部框架图如下所示~

开关电源同步整流应用
内置 45V 耐压功率管
兼容 DCM 和 CCM 多种工作模式
专利的整流管开通技术
集成 VCC 供电技术
芯片供电欠压?;?br/>芯片过压钳位
外围元器件少

LP3610S 广泛应用于充电器和适配器的同步整流、反激式控制器以及其他开关电源控制系统中。其 SOP8L 的封装形式和较少的外围元器件需求,使得它在紧凑型设计中具有显著的优势。
LP3610S 的电气参数经过精心设计,以满足各种复杂的工作条件。例如,其 VCC 工作电压范围为 5.1V 至 5.6V,启动电压为 3.3V 至 3.7V,欠压?;ゃ兄滴?3.0V 至 3.5V。这些参数确保了芯片在不同的输入电压条件下都能稳定工作。此外,整流管的开通电压阈值为 -0.25V 至 -0.15V,关断阈值为 -8mV 至 -2mV,这些精确的阈值设置使得同步整流的控制更加精准。

当系统上电后,LP3610S 通过内置 MOS 的体二极管对输出电容充电,输出电压逐渐上升。随着输出电压的上升,芯片内部的供电电路开始工作,为 VCC 电容充电。当 VCC 的电压达到开启阈值时,芯片内部控制电路开始工作,MOS 管开始正常的导通和关断。此时,电流不再从体二极管流过,而是从 MOS 的沟道流过,从而实现高效的同步整流。
DCM 工作时,由于电感的激磁作用,当初级芯片关断时,会产生振荡。为了防止误检测振荡信号,导致同步整流管的异常开启, LP3610S 采用专利的整流管开通技术。
当初级芯片关断时,次级 LP3610S 的漏极 D 与GND 之间的电压迅速下降。 LP3610S 通过检测 D和 GND 之间的下降电压阈值和下降速率,能准确
的判断同步整流管的开启。
开通条件:
TSR>0.5uS & dVds/dt> K & Vds<-0.2V

为了避免同步整流管导通时,因激磁振荡幅度较大,导致误检测关断信号,使同步整流管异常的关断;LP3610S 通过整流管关断阈值,能准确地判断同步整流管的关断。
关断条件:同步整流一旦开通,在比较器屏蔽时间 Tb 内不进行关断动作。当 Ton>Tb&The Vds voltage >-5mV,关断同步。
在设计 LP3610S 的 PCB 时,需要遵循一些关键的指南以确保最佳性能。首先,主功率回路的走线应尽可能短且粗,以减少电阻损耗。其次,当自供电时,VCC 的旁路电容需要紧靠芯片的 VCC 管脚和 GND 管脚,以减少电源噪声。此外,当 VCC 接输出电压正端供电时,VCC 和 GND 应尽量靠近输出电容的两端。最后,增加 D 引脚的铺铜面积可以提高芯片的散热性能。
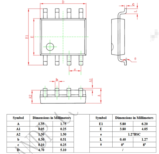
LP3610S 采用 SOP8L 封装形式,这种封装不仅尺寸紧凑,而且具有良好的散热性能和电气特性。封装的详细尺寸信息如下

LP3610S 以其高性能、高可靠性和广泛的兼容性,成为了开关电源同步整流芯片领域的一颗明珠。它不仅能够显著提高电源系统的效率,还能通过集成的多种?;すδ苋繁O低车奈榷ㄔ诵小6杂谧非蟾咝?、稳定电源解决方案的设计工程师来说,LP3610S 绝对是一个值得信赖的选择。