BP8522SL 是一款集高性能、高集成度与低待机功耗于一体的开关电源驱动芯片,专为全电压范围(85~265VAC)输入的 Buck 和 Buck-Boost 拓扑应用而设计。其卓越的性能和丰富的功能使其在众多电源解决方案中脱颖而出,尤其适用于小家电辅助电源、物联网设备、智能家居以及智能照明等领域。
在 Buck 拓扑应用中,BP8522SL 通过简洁的电路设计实现了高效的电压转换。其典型应用电路如图 2 所示,输入端连接交流电源后,经过内部集成的整流桥二极管,将交流电转换为直流电。该芯片内置的 550V 高压 MOSFET 在控制信号的驱动下,周期性地导通与关断,从而在电感 L1 上产生高频脉冲电压。电感 L1 与输出电容 C2 构成滤波电路,将高频脉冲电压平滑为稳定的直流输出电压。BP8522SL 的输出电压设定为 5V,能够提供最大 50mA 的输出电流,满足小功率设备的供电需求。

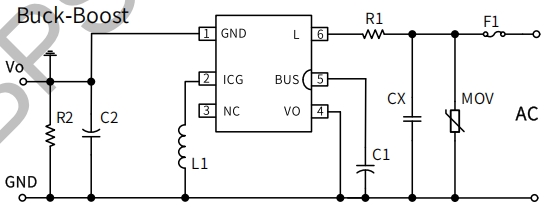
对于 Buck-Boost 拓扑,BP8522SL 同样表现出色。如图 1 所示,该电路不仅能够实现降压功能,还能在输入电压低于输出电压时进行升压操作。这种拓扑结构使得 BP8522SL 在宽输入电压范围内都能稳定输出 5V 电压,并提供 50mA 的电流。通过合理选择电感 L1 和电容 C1、C2 的参数,可以优化电路的动态响应和效率。

BP8522SL 的内部结构框架图(如下图所示)清晰地展示了其高度集成化的设计特点。芯片内部集成了多个关键功能???,这些??樾ぷ?,确保了电源转换的高效性和稳定性。

BP8522SL 内置了一个 800V 的整流桥二极管,能够直接处理全电压范围(85~265VAC)的交流输入。这种设计不仅简化了外部电路,还提高了系统的可靠性。同时,芯片还集成了高压启动电路,能够在系统上电后迅速启动内部 VCC 电容充电,确保芯片快速进入工作状态。当 VCC 电容电压达到 11V 时,芯片内部控制电路开始工作,而当电压降低到 5V 时,芯片会进入欠压保护状态,防止因电压不足导致的不稳定运行。
BP8522SL 的自供电电路是其高效运行的核心之一。在正常工作期间,自供电电路会在 MOSFET 关断期间通过 BUS 端为内部 VCC 电容供电。这种设计不仅避免了外部 VCC 电容的使用,还减少了系统的待机功耗,提高了整体效率。
BP8522SL 内部集成了电流采样电路,无需外置采样电阻,从而降低了系统成本和体积。电流采样电路能够实时监测通过电感的电流,并在电流达到内部设定的限制值时关闭 MOSFET,防止过流损坏。同时,芯片还通过 VO 引脚采样输出电压,并利用内置反馈二极管和电阻分压网络将其与内部基准电压进行比较,实现精确的恒压控制。这种设计确保了输出电压的稳定性和动态响应能力。
BP8522SL 提供了丰富的?;すδ埽ㄊ涑龉乇;ぃ∣LP)、过温保护(OTP)和自动重启功能。这些?;すδ苣?橥ü凳奔嗖庑酒墓ぷ髯刺?,确保在异常情况下能够及时关闭 MOSFET,防止芯片和外围电路的损坏。例如,当检测到输出短路或过载时,芯片会触发 OLP 并进入自动重启程序;当芯片结温达到 145℃时,过温保护功能会关闭 MOSFET,直到温度下降到安全范围,芯片才会重新启动。
BP8522SL 内置的振荡器能够根据负载条件自动调整开关频率。在轻载或空载时,开关频率降低,从而减少开关损耗并提高效率;在重载时,开关频率升高,确保输出电压的稳定性和动态响应。这种频率自适应控制技术不仅优化了芯片的性能,还降低了电磁干扰(EMI),提高了系统的可靠性。
BP8522SL 采用了 SSOP-6 封装形式,这种封装方式不仅体积小巧,还具备良好的散热性能,适合应用于紧凑型电源设计。以下是 BP8522SL 的管脚封装图(如图 3 所示)及各管脚的功能描述:
BP8522SL 的管脚封装图清晰地展示了其管脚布局和连接方式。芯片共有 6 个管脚,每个管脚都有明确的功能定义,确保了电路设计的简洁性和可靠性。

GND(管脚 1):输出地,同时也是内置续流二极管的阳极。该管脚为芯片提供了接地参考点,并确保续流二极管能够正常工作。
ICG(管脚 2):芯片地,同时也是内置 MOSFET 的源极和内置续流二极管的阴极。该管脚为芯片的内部控制电路提供了接地参考点,并确保 MOSFET 能够正常导通和关断。
NC(管脚 3):无连接。该管脚在电路中未定义任何功能,建议保持悬空。
VO(管脚 4):输出电压采样端,同时也是内置反馈二极管的阳极。该管脚连接到输出正端,用于采样输出电压,并通过内置反馈二极管和电阻分压网络实现恒压控制。
BUS(管脚 5):内置整流桥二极管的阴极,连接到母线电容的正端。该管脚为高压启动电路和自供电电路提供了电源输入,并确保母线电压能够稳定地为芯片供电。
L(管脚 6):内置整流桥二极管的阳极,连接到 AC 端。该管脚直接与交流输入电源相连,通过内置整流桥二极管将交流电转换为直流电,为后续的电源转换提供基础。
BP8522SL 内置高压启动电路和自供电电路,无需外部 VCC 电容。当系统上电后,母线电压通过 BUS 引脚对内部 VCC 电容充电,当电容电压达到 11V 时,芯片启动。在正常工作期间,自供电电路在 MOSFET 关断期间通过 BUS 端持续为 VCC 电容供电,确保芯片稳定运行。这种设计不仅简化了电路,还提高了系统的可靠性和效率。

BP8522SL 具备软启动功能,能够在启动过程中逐步增加输出电压,避免因瞬间大电流冲击导致的电路损坏。软启动过程中,开关频率随着输出电压的升高而逐渐增加,确保电路平稳过渡到正常工作状态。
BP8522SL 通过 VO 引脚采样输出电压,并利用内置反馈二极管和电阻分压网络将其与内部基准电压进行比较。通过这种方式,芯片能够精确控制输出电压,确保其稳定在 5V。输出电压采样仅在续流阶段进行,建议设计时保证续流时间大于 7us,以确保采样准确。
BP8522SL 采用频率自适应控制技术,根据负载条件自动调整开关频率。在轻载或空载时,开关频率降低,从而减少开关损耗并提高效率;在重载时,开关频率升高,确保输出电压的稳定性和动态响应。这种自适应控制技术不仅优化了芯片的性能,还降低了电磁干扰(EMI)。
BP8522SL 内部集成电流采样电路,无需外置电流采样电阻。当开关周期开始时,MOSFET 导通,漏极电流上升。当电流达到内部限制值(100~130mA)时,MOSFET 关断,直到下一个开关周期开始。此外,芯片还具备前沿消隐(Leading Edge Blanking)功能,避免因 MOSFET 开通瞬间的电流尖峰误触发?;せ啤?br/>
BP8522SL 提供全面的?;すδ?,包括输出过载保护(OLP)、过温保护(OTP)和自动重启功能。当检测到输出短路或过载时,芯片会触发 OLP 并进入自动重启程序。如果故障持续存在,芯片会在 0.5 秒后再次尝试启动。此外,当芯片结温达到 145℃时,过温?;すδ芑峁乇?MOSFET,直到温度下降到安全范围,芯片才会重新启动。这些保护功能确保了 BP8522SL 在各种异常情况下都能安全运行,延长了芯片和外围电路的使用寿命。
BP8522SL 以其高性能、高集成度和低待机功耗的特点,成为理想的开关电源驱动芯片选择。其在 Buck 和 Buck-Boost 拓扑中的典型应用电路简单高效,能够稳定输出 5V 电压并提供 50mA 的电流。通过高压启动与自供电、软启动、输出电压采样与控制、频率自适应控制、电流检测与?;さ裙δ艿男饔?,BP8522SL 不仅优化了电源转换效率,还提高了系统的可靠性和安全性。无论是在小家电辅助电源、物联网设备还是智能家居领域,BP8522SL 都能为用户提供稳定、高效的电源解决方案。