在现代电源设计中,隔离型适配器和充电器的性能与成本优化一直是工程师关注的重点。LP3669系列芯片作为一款高性能的双绕组原边反馈控制芯片,凭借其独特的设计和广泛的应用范围,成为了众多电源解决方案中的理想选择。本文将详细介绍LP3669系列芯片的型号分类、输出功率范围以及管脚封装特点,帮助读者更好地理解并应用这些芯片。
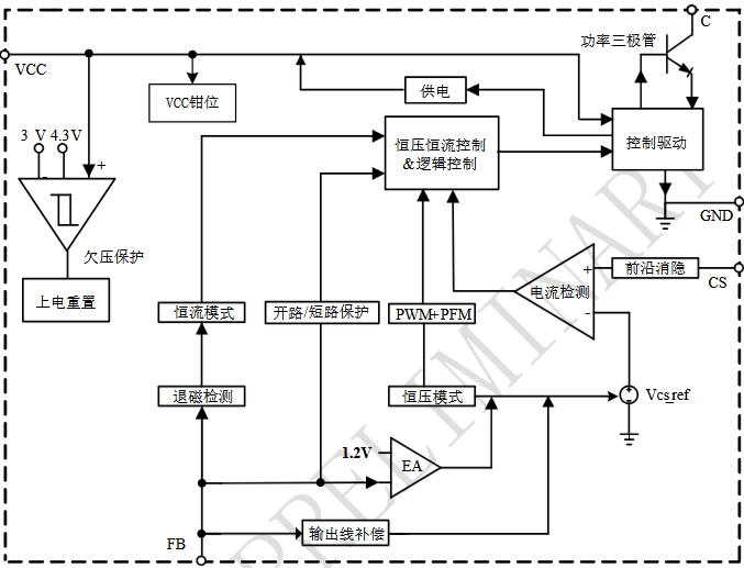
LP3669系列芯片是高性能隔离型适配器和充电器控制芯片。该系列芯片通过检测变压器原边的电流和电压实现恒流和恒压功能,无需辅助绕组,从而优化了系统成本。LP3669系列芯片还集成了多种保护功能,包括VCC钳位/欠压?;?、输出短路?;ず凸卤;さ?,确保电源系统在各种工作条件下的安全性和可靠性。
LP3669系列芯片根据不同的输出功率需求,提供了多种型号选择。以下是该系列的主要型号及其输出功率范围:

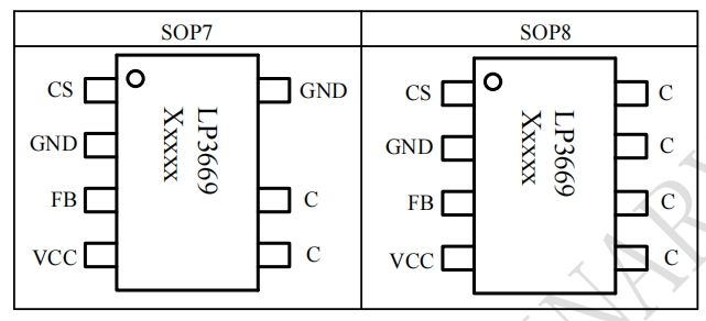
LP3669系列芯片提供了两种主要的管脚封装形式:SOP7和SOP8。以下是这两种封装形式的详细介绍:

SOP7封装是一种紧凑型封装,适用于对空间要求较高的应用。以下是SOP7封装的管脚分布和功能描述:
| 管脚号 | 管脚名称 | 功能描述 |
|---|---|---|
| 1 | CS | 电流采样脚位,用于检测电感峰值电流 |
| 2 | GND | 芯片地 |
| 3 | FB | 反馈电压输入端,用于恒压输出设置 |
| 4 | VCC | 芯片电源,需就近接旁路电容 |
| 5、6 | C | 内置功率三极管的集电极 |
| 7 | GND | 芯片地,与PIN2相同 |
SOP8封装在SOP7的基础上增加了额外的管脚,提供了更多的灵活性和散热能力。以下是SOP8封装的管脚分布和功能描述:
| 管脚号 | 管脚名称 | 功能描述 |
|---|---|---|
| 1 | CS | 电流采样脚位,用于检测电感峰值电流 |
| 2 | GND | 芯片地 |
| 3 | FB | 反馈电压输入端,用于恒压输出设置 |
| 4 | VCC | 芯片电源,需就近接旁路电容 |
| 5、6、7、8 | C | 内置功率三极管的集电极 |

LP3669系列芯片通过省去变压器辅助绕组的设计,显著降低了系统成本。同时,其内置的多种保护功能减少了外部元件的需求,进一步优化了成本结构。
芯片采用谷底开通机制和专利的电流驱动技术,能够有效提升系统效率,降低温升。此外,其特有的随机抖频技术可以改善EMI特性,无需额外的滤波元件。

LP3669系列提供了从2.5W到12.0W的多种输出功率选择,能够满足从低功耗到高功耗设备的不同需求。这种多样化的功率选择使得工程师可以根据具体应用场景选择最适合的型号。
芯片通过检测变压器原边的电流和电压实现恒流和恒压功能,能够提供高精度的输出控制。同时,其内置的输出线损补偿技术可以有效补偿输出电流在输出线上的损耗压降,进一步提高输出精度。
LP3669系列芯片广泛应用于以下领域: