VIPER22A / VIPER12A 统治 5-20 W 适配器市场多年,但进口器件价格高、供货周期长,让不少厂商头疼。深圳市明微电子推出的 SM7022,号称“PIN-to-PIN 兼容 VIPER 系列,一颗即可直接替换”。本文通过一次真实打样,验证它到底能不能“无痛升级”。
? 输入电压:85-265 VAC,全球通用
? 固定 60 kHz PWM,EMI 设计简单
? 集成 700 V 高压 MOSFET 与启动电路,无需外置启动电阻
? 9-39 V 宽 VDD,适配 5 V/9 V/12 V/15 V/24 V 多种输出
? DIP8 12 W(宽压)/20 W(高压),SOP8 5 W/8 W
? 内置 OTP/OCP/OLP/UVLO,可靠性不缩水
? 待机功耗 < 120 mW@220 VAC,满足 CoC V5 Tier-2
一句话总结:把 VIPER22A 拔下来,SM7022 焊上去,板子照跑。

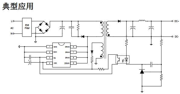
下图为12V/1A(12 W)通用输入适配器参考设计

输入 EMI:共模电感 4 mH + X2 0.1 μF + 2 × Y1 2.2 nF
整流滤波:MB10F 桥堆 + 22 μF/400 V 电解
主功率:SM7022(DIP8)
变压器:EE16,Np 108T 0.23 mm,Ns 14T×2 0.4 mm,Np:Ns = 7.7:1
漏感 < 60 μH,AE 19 mm2
输出整流:MBR2045 + 470 μF/25 V 低 ESR
反馈:TL431 + PC817,光耦跨接 FB 脚
VDD 电容:10 μF/50 V 陶瓷 + 100 μF/25 V 电解
补偿:FB 脚 100 nF + 4.7 kΩ 串联,斜率补偿已内置于芯片
原 VIPER22A 板子,输出 12 V/1 A,效率 79.2 %@230 VAC。
直接拆下 VIPER22A,焊 SM7022,通电即启机,空载功耗从 135 mW 降到 98 mW。
满载 12 W 运行 2 小时,DIP8 芯片表面温升 55 K(室温 25 ℃),无需额外散热片。
EMI 测试:传导余量 > 6 dB,辐射 30-300 MHz 无超标。
关键波形
? Drain 电压:最高 560 V(漏感尖峰),VIPER22A 原板 580 V,略优
? CS 脚电流检测:斜率补偿平滑,无次谐波振荡
| 器件 | VIPER22A 方案 | SM7022 方案 | 差额 |
|---|---|---|---|
| 主芯片 | 0.42 USD | 0.25 USD | -0.17 |
| 启动电阻 | 2 × 1 MΩ 0.01 | 省掉 | -0.01 |
| 散热片 | 小铝片 0.05 | 无 | -0.05 |
| 合计 | 0.48 USD | 0.25 USD | -47 % |
FB 脚耐压 5.5 V,光耦上拉电阻别过小,否则易触发 OLP。
DIP8 12 W 以上建议在 PCB 背面铺铜 400 mm2 当散热片,温升可再降 8-10 K。
高压启动已集成,切勿再并电阻,否则待机功耗反而升高。
若需 20 W 输出(230 VAC 专用),把变压器改为 EE19,次级线径 0.5 mm 即可。

一颗 SM7022,让旧板焕发新生:
? 不换变压器、不改走线,10 分钟完成替换;
? 效率提升 1-2 个点,待机功耗满足最新能效法规;
? BOM 成本砍半,交期从 12 周缩短到 2 周。
下次再听到客户抱怨 VIPER 缺货,直接把 SM7022 丢过去——国产替代,真香!