FT32F072xB系列作为一款国产32位RISC内核MCU,凭借其强大的性能和丰富的外设功能,正在逐渐成为工程师们的新宠。本文将深入解析FT32F072xB系列(包括KBBU7、C8AT7、CBAT7等型号)的核心特性、系统架构、引脚定义、供电方案以及实际应用案例,帮助读者快速掌握这款芯片的关键信息,为项目选型和开发提供实用参考。
| 型号尾缀 | 封装 | Flash/SRAM | GPIO | ADC 通道 | DAC/OPA/CMP | 触摸键 | 特色场景 | 参考交期 |
|---|---|---|---|---|---|---|---|---|
| KBBU7 | QFN32-5×5 | 128 k/24 k | 25 | 10+6 int | 2/2/3 | 24 | 超小封装、TWS 充电仓 | 6 周 |
| C8AT7 | LQFP32-7×7 | 128 k/24 k | 25 | 10+6 int | 2/2/3 | 24 | 低成本、双面板可走线 | 6 周 |
| CBAT7 | LQFP48-7×7 | 128 k/24 k | 37 | 16+6 int | 2/2/3 | 24 | 兼容 STM32F072 48Pin | 6 周 |
| RBAT7 | LQFP64-10×10 | 128 k/24 k | 51 | 16+6 int | 2/2/3 | 24 | 全功能引出、工业控制 | 6 周 |


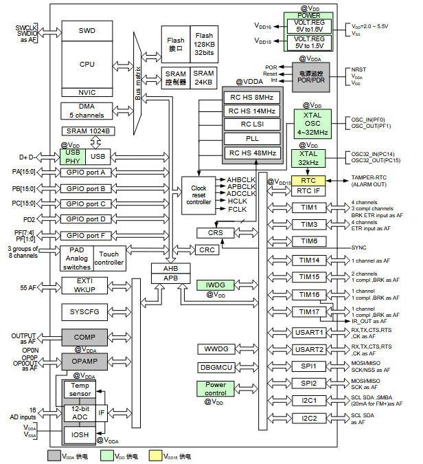
PB6/PB7:I2C1_SCL/SDA,FM+ 模式 20 mA 驱动,1 MHz 长距离上拉 1 kΩ 也能跑。
24 路触摸按键已固定到 PA0~PA7、PB0~PB2、PB10~PB15、PF6/7,无需复用。走线 < 5 cm,包地 0.2 mm,采样电容 100 nF NPO 贴于背面,灵敏度 3 mm 亚克力 + 0.1 mm 铜箔可稳定 10 级。
PC14/PC15 接 32.768 kHz,负载电容 CL = 12.5 pF 晶体,MCU 内部已含 5 pF,外部再补 15 pF×2 即可,误差 < 5 ppm,RTC 一天偏差 0.4 s。


→ 48 MHz 内部 RC 精度不够?打开时钟恢复系统 CRS,让 SOF 帧自动校准。
→ 采样时间 < 0.5 μs,RAIN > 10 kΩ,按公式重新算 Ts;同时把 VDDA 与 VDD 用 0 Ω 电阻单点连接。
→ 把触控阈值调低 20 %,开启硬件“雨水抑制”滤波,PCB 铺地 30 % 网格。
→ Flash 等零等待已超频,手动插入 1 等待,打开预??;或者把关键代码搬到 SRAM 运行。
→ 必须! datasheet 写明中心 PAD 是 VSS,否则热阻 60 ℃/W 变 90 ℃/W,芯片 85 ℃ 降频。
FT32F072xB系列MCU凭借其高性能、低功耗和丰富的外设功能,正在成为智能设备开发中的热门选择。希望上述能够帮助工程师们在项目开发中更好地利用FT32F072xB系列,实现高效、可靠的智能设备设计。深圳三佛科技提供技术支持,批量价格有优势~