G2363P-12非隔离12V350MA直插DIP7
12V 350MA DIP7
12V 350MA DIP7
高性能低成本非隔离交直流转换芯片
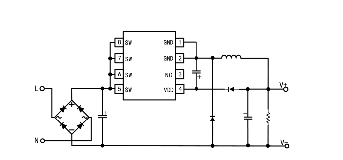
G2363X-12 是一款高集成度、高性能、低待机功耗的开关电源芯片,适用于非隔离开关电源应用。
G2363X-12 内部集成了高压启动电路、电流采样电路、电压反馈回路。外部无需启动电阻、电流采
样电阻和电压采样电阻,极大地减少了外围器件数量,节省了系统成本和体积,同时采用先进的技术
无需其他补偿器件即可实现优异的输出电压精度和负载调整率。
G2363X-12 提供了丰富的?;すδ?,包括:VDD欠压和钳位?;ぁ⑹涑龉贡;?、过流?;ぁ⒐?/span>
?;ぁ⑹涑龆搪繁;さ取?/span>
G2363P-12特点
内置高压功率管
内置高压启动电路,电流、电压采样电路
固定 12V 输出应用
优异的动态响应
内置软启动电路
集成完善的?;すδ埽?/span>
VDD 欠压和钳位?;ぁ⑹涑龉贡;?、过流保
护、过温保护、输出短路?;さ?/span>
G2363P-12应用
AC-DC 非隔离开关电源
小家电辅助电源
电机驱动辅助电源
智能照明辅助电源
封装模式 SOP8 和 DIP
